-
详细信息
KD741H蓄能器式液控闭止回蝶阀简介
蓄能器式液控闭止回蝶阀是在消化吸收欧美液控阀门*新技术基础上研制而成的新型产品。目前该阀门是我国*新一代液控蝶阀,它兼有闸阀和止回阀的功能,是一种能按预先调定的程序,分两阶段(先快关一定角度,再慢速关闭剩余角度)关闭的动作来消除水锥对管网破坏的理想控制设备。其公司是机械工业部、化工部、中国化工装备总公司定点管理生产企业。

其产品在业内有一定的价格优势和技术优势本阀具有较完善的液压系统和电气控制系统,即可现场操作,也可远距离操作,本阀的控制系统采用蓄能罐取代了目前国内同行厂家生产的重锤,将重锤势能变为流体蓄能,不仅节省了长期运行支承重锤所耗的能量,改善了液压系统的保压性能,避免了运行时维护人员的人身伤亡事故和精神上的不安全感和恐惧感,其控制机构勾思新颖,设计合理,体积小,重量轻,结构简单,功能齐全,动作灵活可靠,外形美观,节能节材,维修方便,且维修时不需要停止水泵工作等,能简便地实现泵阀联锁程序控制及微机集中控制,停电时,摇动手动油泵即可关闭。阀门开闭,动作十分方便。本系列阀门能按程序开启,开阀后蝶板无波动,断电(或通电)时自动按预先设定的时间和角度,分快关、慢关两阶段关闭,适用于水、海水、油品及其他非腐蚀性的流体介质,可在泵的出口或管路中起止回和截止功能用。

KD741H蓄能器式液控闭止回蝶阀特点:1.可取代水泵出口截止阀和止回阀,并集机、电、液于一体,占地面积小。2.自动化程度高,可就地、远程及联动控制。3.电气系统可采用PLC智能控制系统,也可以采用普通型继电器式系统。4.液压系统电机功率小,工作效率高,保压性能好,油泵启动间隔时间长。5.液压系统具有自动保压功能,保压时间长,油泵启动间隔可到500小时。6.有明显的开度指示和机械限位调节机构,行程开关装置防水防尘设计,不外露,性能稳定,使用寿命长。7.电气操作界面人性化、多样化,可设计普通按钮式、文本式、触摸屏式,也可根据客户的需要,设计*新的人机操作界面。本阀液压和电气控制部分与阀体分离就近安装,根据液压和电气是否分离分两种型式,用户可根据情况选择。
公称通径:DN150~DN3500
公称压力:PN2.5~PN40
适用介质:水、海水、泥沙水、油品等
介质温度:≤80℃
开阀时间:10~90秒(可调)
快关时间:1.5~20秒(可调)
慢关时间:6~90秒(可调)
快关角度:70°±10°
慢关角度:20°±10°
全开状态*小流阻系数:0.1
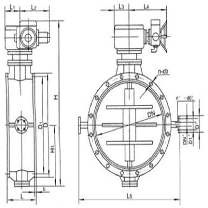
可选控制电源:AC220V、DC220V、DC110V、DC24V型号公称压力(MPa)实验压(MPa)适用温度(℃)适用介质壳体实验密封试验KD741H-6C0.60.90.66≤65水KD741H-10C1.01.51.1项目公称通径DN≤1000DN≥1400开阀时间(S)10~60可调15~60可调关阀时间(S)快关1.2~25可调2~30可调慢关2~60可调4~60可调关阀角度(°)快关60°±10°慢关25°±10°KD741H蓄能器式液控闭止回蝶阀主要零件材料:名称
型号阀体蝶板蝶板密封圈阀杆阀座填料DX7K41H-6/10 Z灰铸铁球墨铸铁丁腈橡胶铬不锈钢铜合金O型橡胶圈DX7K41H-6/10 C碳钢碳钢不锈钢铬不锈钢不锈钢柔性石墨KD741H蓄能器式液控闭止回蝶阀主要外形尺寸及重量:公称通径(mm)主要外形尺寸(mm)重量(kg)LL1EE1HH1500350800144292042011001500600390800163412004401500180070043080017281200500120020008004708002000120051012102500900510800213012005701270300010005508002410130062016203000120063080026001355710171042001400710800282513558201820490016007908903141135592019205900180087089034231760103520356300200095089036231860115021406170结构比较短小,占用空间小,安装的时候先用对夹式蝶阀专用法兰将其固定,然后将固定好的对夹式法兰放入管道两端法兰中间,用螺栓穿过对夹式蝶阀专用法兰和管道法兰将其固定。

具体安装步骤流程如下:
1、将对夹式蝶阀放置于预安装的两片对夹蝶阀专用法兰之间,注意将法兰螺栓孔与蝶阀阀体圆孔对齐。
2、将螺栓和螺母插入法兰孔将阀体与法兰连接,校正一下法里面的平整度,但注意不要把螺栓螺母拧的过紧。
3、将法兰焊接在管道上,这一步要采用点焊的方式。
4、先把对夹式蝶阀取下移出。
5、再将两片法兰完全焊在管道上,完成固定。
6、等法兰与管道的焊接处冷却之后,再讲对夹式蝶阀安装进去。此时注意要将蝶板打开一些。
7、再一次对蝶阀的安装位置做一个校正,拧紧螺栓,但要注意不要拧的过紧。
8、将蝶阀蝶板完全打开,保证蝶阀的蝶板可以自由启闭,能自由开闭。
9、再一次将螺栓交叉,均衡的拧紧;
10、以上步骤完成,再一次对蝶阀的启闭做一个测试,确保阀门可以自由的开关。

法兰式蝶阀安装方法
法兰蝶阀自带法兰,安装时候无需再专门配备法兰片,直接将阀体上的法兰与管道法兰用螺栓连接起来即可。但法兰蝶阀安装时要注意几点:
1.在安装时,蝶阀阀体法兰与管道上法兰之间的端面要平行,不能出现歪斜的情况,否则可能会因为螺栓拧不紧造成法兰连接处泄漏。
2.法兰蝶阀在管道上安装时候要在管道两端法兰与阀体法兰之间加入垫片,但不能用双垫片。
3.紧螺栓时要对称进行,两端法兰连接各个螺栓拧紧力要均匀且一致。
4.在安装时,要先安装蝶阀上定位孔的螺栓,将蝶阀位置对中固定,另外,在紧固法兰螺栓时,要对称交替拧紧,不要依次单独紧固螺栓。
相比对夹蝶阀,法兰蝶阀的密封性能更好,更适合做大口径阀门。但是使用成本和价格也会更高。法兰蝶阀的结构更长,占用的管道安装空间更大。

法兰蝶阀安装方法:
1、法兰蝶阀安装前检查气动蝶阀各部分部件无缺失,型号无误,检查阀体内无杂物,电磁阀和消音器内无阻塞。
2、将阀门和汽缸均置于关闭状态。
3、将汽缸撞到阀门上,(安装方向与阀体平行或垂直都可以),再看螺丝孔是否对正,不会有太大偏差,如有少许偏差,将气缸体转动一点就可以了,然后将螺丝紧固。
4、安装完毕后,对气动蝶阀进行调试(正常情况下供气压力为0.4~0.6MPa),调试运行时须手动操作电磁阀启闭(将电磁阀线圈失电后手动操作方可有效),观察气动蝶阀的启闭情况。如果在调试运行过程中发现阀门在启闭过程初始时有些吃力,之后正常,则需要将气缸行程调小(把气缸两端行程调节螺丝同时往里调一点,调整时需将阀门运行到开位置,然后将气源关掉再调),直至阀门启闭动作顺滑且关闭无泄漏。还需要注意的是,可调型消音器可以调节阀门的启闭速度,但不可调得过小,否则可能引起阀门不动作。
5、得发在安装前应保持干燥,不可露天存放。
6、安装蝶阀前要检查管道,确保管道内无焊渣等异物。
7、蝶阀阀体手动启闭阻力适中,蝶阀扭矩与所选执行器扭矩匹配。
8、蝶阀连接用法兰规格正确,管道对夹法兰与蝶阀法兰标准相符。建议使用蝶阀专用法兰,不得使用平焊法兰。
9、确认法兰焊接无误,蝶阀安装完毕后不得再焊接法兰,以免烫伤橡胶件。
10、装好的管道法兰要进行对中,并与放入的蝶阀进行对中。
11、装上所有的法兰螺栓,并用手拧紧,将确认蝶阀与法兰已然对中,然后小心的启闭蝶阀,确保启闭灵活。
12、将阀门完全开启,用扳手按照对角线次序将螺栓拧紧,无需垫圈,切勿将螺栓拧的过紧,以防造成阀圈的严重变形,启闭扭矩过大。
订货须知:
一、产品名称与型号口径是否带附件以便我们的为您正确选型使用压力使用介质的温度。
二、若已经由设计单位选定公司的放料阀型号,请型号直接向我司销售部订购。
三、当使用的场合非常重要或环境比较复杂时,请您尽量提供设计图纸和详细参数,由我们的阀门公司专家为您审核把关。如有疑问:请:我们一定会尽心尽力为您提供优质的服务。
扫一扫,手机浏览


