-
详细信息
D673H气动对夹式硬密封三偏心蝶阀产品用途
气动硬密封蝶阀的主要优点,结构简单,体积小重量轻,造价低,气动碟阀该特点尤其显著,安装在高空暗道,经过二位五通电磁阀控制操作方便,也可调节流量介质。流体阻力较小,中大口径的气动碟阀全开时有效流通面积较大,启闭迅速省力,碟扳旋转90角度即可完成启闭,由于转轴两侧碟板手介质作用力接近相等,而产生的转矩方向相反,因而启闭力矩较小,低压下可实现良好的密封,碟阀密封材料有丁晴橡胶、氟橡胶,食用橡胶,衬四氟故密封性能良好,其中硬密封碟阀为软硬层叠式金属片具有金属硬密封和弹性密封的重优点,无论在低温情况下均具有优良的密封性能。气动硬密封蝶阀结构工作原理适用环境分析气动硬密封蝶阀的蝶板安装于管道的直径方向。在蝶阀阀体圆柱形通道内,圆盘形蝶板绕着轴线旋转,旋转角度为0°~90°之间,旋转到90°时,阀门则牌全开状态。
D73H、D73Y 型对夹式硬密封蝶阀采用精密的J形弹性密封圈和三偏心多层次金属硬密封结构,被广泛用于介质温度≤425℃的治金、电力、石油化工、以及给排水和市政建设等工业管道上,作调节流量和载断流体使用。对夹式蝶阀的几何形状保证阀瓣密封只是在关闭位置时才与阀体阀座接触,不会产生磨擦或磨损,并且产生一种扭矩使得弹性密封具有足够的“焊接”性能,确保密封接触的均匀一致性。关闭期间的扭距产生阀座力,并均匀一致的作用在整个圆周围,压缩力沿着周长均匀作用,使得阀门能够实现双向紧密关闭,密封的弹性使得阀门阀体和阀瓣能够接触或阔张,避免了由于温度波动而产生堵塞的危险。所有操作能够自行调整对准。 气动硬密封蝶阀结构简单、体积小、重量轻,只由少数几个零件组成。而且只需旋转90°即可快速启闭,操作简单,同时该电动阀门具有良好的流体控制特性。蝶阀处于完全开启位置时,蝶板厚度是介质流经阀体时唯一的阻力,因此通过该阀门所产生的压力降很小,故具有较好的流量控制特性。蝶阀有弹密封和金属的密封两种密封型式。弹性密封阀门,密封圈可以镶嵌在阀体上或附在蝶板周边。

如果要求蝶阀作为流量控制使用,主要的是正确选择阀门的尺寸和类型。蝶阀的结构原理尤其适合制作大口径阀门。蝶阀不仅在石油、煤气、化工、水处理等一般工业上得到广泛应用,而且还应用于热电站的冷却水系统。
D673H气动对夹式硬密封三偏心蝶阀结构特点一、由于多层软硬叠式密封圈固定在阀板上,当阀板常开状态时介质对其密封面形成正面冲刷,金属片夹层中的软密封带受冲刷后,直接影响密封性能。
二、受结构条件的限制该结构不适应做通径DN200以下阀门,原因是阀板整体结构太厚,流阻大。
三、因三偏心结构的原理,阀板的密封面与阀座之间的密封是靠传动装置的力矩使阀板压向阀座。正流状态时,介质压力越高密封挤压越紧。当流道介质逆流时随着介质压力的增大阀板与阀座之间的单位正压力小于介质压强时,密封开始泄漏。
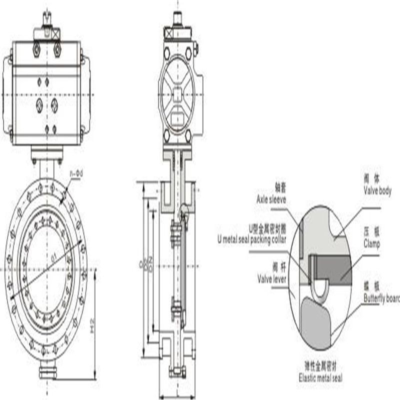
其特征在于:所述阀座密封圈由软性T形密封环两侧多层不锈钢片组成。阀板与阀座的密封面为斜圆锥结构,在阀板斜圆锥表面堆焊耐温、耐蚀合金材料;固定在调节环压板之间的弹簧与压板上调节螺栓装配一起的结构。这种结构有效地补偿了轴套与阀体之间的公差带及阀杆在介质压力下的弹性变形,解决了阀门在双向互换的介质输送过程中存在的密封问题。
采用软性T型两侧多层不锈钢片组成密封圈,具有金属硬密封和软密封的双重优点,无论在低温和高温情况下,均具有零渗漏的密封性能。试验证明池正流状态(介质流动方向与蝶板转动方向相同)时,密封面的压力是传动装置的力矩和介质压力对阀板的作用产生的。正向介质压力增大时阀板斜圆锥表面与阀座密封面挤压越紧,密封效果越好。
当逆流状态时,阀板与阀座之间的密封靠驱动装置的力矩使阀板压向阀座。随着反向介质压力的增大,阀板与阀座之间的单位正压力小于介质压强时,调节环的弹簧在受载后所储存的变形能补偿阀板与阀座密封面的紧压力起到自动补偿作用。
因此本实用新型不像现有的技术那样,在阀板上安装软硬多层密封圈,而是直接安装在阀体上,在压板和阀座中间增设调节环是十分理想的双向硬密封方式。它将可取代闸阀、及球形阀。
D673H气动对夹式硬密封三偏心蝶阀三重偏心几何形状:偏心1 阀轴位于阀座后面,使得密封能够完全紧密环绕接触整个阀座。偏心2 阀轴中心线偏离管道和阀门中心线,着就免受阀开启和关闭的干扰。偏心3 阀座锥体轴偏离阀轴中心线,这样可以在关闭和开启过程中消除磨擦作用,并且实现环绕整个阀座的均匀一致的压缩密封效果。对夹式硬密封蝶阀使用寿命更长的无磨擦密封:(1) 作为标准配置,阀座采Cr13合金或钨络钴合金硬面。(2) 密封垫采用螺旋盘绕不锈钢/石墨,用于实现零泄漏。D673H气动对夹式硬密封三偏心蝶阀标准与规范设计与制造结构长度压力 -温度等级配管法兰试验与检验GB12238
JB/T8527GB12221JB/T74、GB9131JB/T74-90
GB9112-9131 HG20592-20596GB/T13927气动硬密封蝶阀材料及主要参数:主要零件
材料阀体WCBZG1Cr18Ni9TiCF8CF3ZG1Cr18Ni
12Mo2TiCF8MCF3M压圈WCBZG1Cr18Ni9TiCF8(304)CF3(304L)ZG1Cr18Ni
12Mo2TiCF8M(316)CF3M(316L)蝶板碳钢面堆焊
Cr13ZG1Cr18Ni9TiCF8(304)CF3(304L)ZG1Cr18Ni
12Mo2TiCF8M(316)CF3M(316L)阀杆2Cr131Cr18Ni9Ti0Cr19Ni900Cr19Ni111Cr18Ni
12Mo2Ti0Cr17Ni12Mo200Cr17Ni14Mo2阀座1Cr18Ni9Ti0Cr19Ni900Cr19Ni1100Cr19Ni110Cr17
Ni12Mo200Cr17
Ni14Mo00Cr17Ni14Mo2适用工况适用介质水、蒸汽、油品等硝酸等腐蚀性介质强氧化性介质醋酸等腐蚀性介质尿素等腐蚀性介质蜗轮传动蝶阀在阀门类型代号D后加入“3”表示,示例:D373H-16C气动蝶阀在阀门类型代号D后加入“6”,示例:D673H-25 气压0.4~0.6MPa电动蝶阀在阀门类型代号D后加“9”表示,示例:D973H-16C产品特点
1、对夹式硬密封蝶阀采用三偏心密封结构,阀座与蝶板几乎无磨损,具有越观越紧的密封功能2、密封圈选用不锈钢制作,具有金属硬密封和弹性密封的双重优点,无论在低温和高温的情况下,均具有优良的密封性能,具有耐腐蚀,使用寿命长等特点3、蝶板密封面采用堆焊钴基硬质合金,密封面耐磨损,使用寿命长4、大规格蝶板采用绗架结构,强度高,过流面积大,流阻小5、对夹式硬密封蝶阀具有双向密封功能,安装时不受介质流向的限制,也不受空间位置的影响,可在任何方向安装6、驱动装置可以多工位(旋转90°或180°)安装,便于用户使用性能参数
型号D73H-10C~40
D73Y-10C~40D73H-10P~40
D73Y-10P~40工作压力(MPa)1.0~4.0适用温度(℃)≤300适用介质水、油品、蒸汽等材料阀体、蝶板铸钢奥氏体不锈钢阀杆40Cr奥氏体不锈钢密封面配对材料不锈钢/不锈钢不锈钢/司太立填料柔性石墨聚四氟乙烯
结构比较短小,占用空间小,安装的时候先用对夹式蝶阀专用法兰将其固定,然后将固定好的对夹式法兰放入管道两端法兰中间,用螺栓穿过对夹式蝶阀专用法兰和管道法兰将其固定。公称通径 长度
标准值外形尺寸
(参考值)连接尺寸
(标准值)重量
(kg)H Dd373H Dd673H Dd973H PN0.6MPa PN1.0MPa 毫米 英寸 L H1 A1 B1 H2 A2 B2 H3 A3 B3 D1 Z-d D1 Z-d 50 2 43 112 350 180 200 625 245 72 530 250 255 110 4-14 125 4-18 12 65 21/2 46 115 370 180 200 625 245 72 530 250 255 130 4-14 145 4-18 13 80 3 64 120 380 180 200 645 245 72 565 250 255 150 4-18 160 8-18 15 100 4 64 138 420 180 200 675 355 92 600 250 255 170 4-18 180 8-18 17 125 5 70 164 460 180 200 715 355 92 640 250 255 200 8-18 210 8-18 27 150 6 76 175 555 270 280 800 355 92 705 300 315 225 8-18 240 8-22 29 200 8 89 215 780 400 425 850 250 170 775 300 315 280 8-18 295 8-22 45 250 10 114 243 840 400 425 925 250 170 945 300 315 335 12-18 350 12-22 69 300 12 114 285 995 450 560 1035 450 220 1070 300 315 395 12-22 400 12-22 86 350 14 127 320 1050 450 560 1070 450 220 1140 300 315 445 12-22 460 16-22 122 400 16 140 350 1220 535 580 1190 450 220 1210 300 315 495 16-22 515 16-26 141 450 18 152 350 1280 535 580 1250 650 280 1335 575 714 550 16-22 565 20-26 191 500 20 152 380 1365 535 580 1290 650 280 1415 575 714 600 20-22 620 20-26 260 600 24 154 435 1460 570 660 1455 850 380 1605 656 810 705 20-26 725 20-30 380 700 28 165 480 1520 750 550 1585 850 380 1844 656 810 810 24-26 840 24-30 450 800 32 190 530 1710 750 550 1700 1250 380 2040 656 810 920 24-30 950 24-33 650 900 36 203 595 1810 750 550 1965 1250 380 2255 785 863 1020 24-30 1050 28-33 830 1000 40 216 650 1900 900 750 2015 1250 380 2380 785 863 1120 28-30 1160 28-36 1050 1200 48 254 775 2280 1000 925 2250 1250 380 2640 785 863 1340 32-33 1380 32-39 1400 1400 56 279 870 2450 1000 925 10 1 12 2886 11 0 1560 36-36 1590 36-42 1900 1600 64 318 1000 2730 1000 925 1 1 1 3156 0 1 1760 40-36 1820 40-48 2900 1800 72 356 1110 3020 1100 980 3421 125 226 3421 114 325 1970 44-39 2020 44-48 4000 2000 80 406 1250 3270 1100 980 10 854 965 3685 785 256 2180 48-42 2230 48-48 5300
具体安装步骤流程如下:
1、将对夹式蝶阀放置于预安装的两片对夹蝶阀专用法兰之间,注意将法兰螺栓孔与蝶阀阀体圆孔对齐。
2、将螺栓和螺母插入法兰孔将阀体与法兰连接,校正一下法里面的平整度,但注意不要把螺栓螺母拧的过紧。
3、将法兰焊接在管道上,这一步要采用点焊的方式。
4、先把对夹式蝶阀取下移出。
5、再将两片法兰完全焊在管道上,完成固定。
6、等法兰与管道的焊接处冷却之后,再讲对夹式蝶阀安装进去。此时注意要将蝶板打开一些。
7、再一次对蝶阀的安装位置做一个校正,拧紧螺栓,但要注意不要拧的过紧。
8、将蝶阀蝶板完全打开,保证蝶阀的蝶板可以自由启闭,能自由开闭。
9、再一次将螺栓交叉,均衡的拧紧;
10、以上步骤完成,再一次对蝶阀的启闭做一个测试,确保阀门可以自由的开关。
法兰式蝶阀安装方法
法兰蝶阀自带法兰,安装时候无需再专门配备法兰片,直接将阀体上的法兰与管道法兰用螺栓连接起来即可。但法兰蝶阀安装时要注意几点:
1.在安装时,蝶阀阀体法兰与管道上法兰之间的端面要平行,不能出现歪斜的情况,否则可能会因为螺栓拧不紧造成法兰连接处泄漏。
2.法兰蝶阀在管道上安装时候要在管道两端法兰与阀体法兰之间加入垫片,但不能用双垫片。
3.紧螺栓时要对称进行,两端法兰连接各个螺栓拧紧力要均匀且一致。
4.在安装时,要先安装蝶阀上定位孔的螺栓,将蝶阀位置对中固定,另外,在紧固法兰螺栓时,要对称交替拧紧,不要依次单独紧固螺栓。
相比对夹蝶阀,法兰蝶阀的密封性能更好,更适合做大口径阀门。但是使用成本和价格也会更高。法兰蝶阀的结构更长,占用的管道安装空间更大。
法兰蝶阀安装方法:
1、法兰蝶阀安装前检查气动蝶阀各部分部件无缺失,型号无误,检查阀体内无杂物,电磁阀和消音器内无阻塞。
2、将阀门和汽缸均置于关闭状态。
3、将汽缸撞到阀门上,(安装方向与阀体平行或垂直都可以),再看螺丝孔是否对正,不会有太大偏差,如有少许偏差,将气缸体转动一点就可以了,然后将螺丝紧固。
4、安装完毕后,对气动蝶阀进行调试(正常情况下供气压力为0.4~0.6MPa),调试运行时须手动操作电磁阀启闭(将电磁阀线圈失电后手动操作方可有效),观察气动蝶阀的启闭情况。如果在调试运行过程中发现阀门在启闭过程初始时有些吃力,之后正常,则需要将气缸行程调小(把气缸两端行程调节螺丝同时往里调一点,调整时需将阀门运行到开位置,然后将气源关掉再调),直至阀门启闭动作顺滑且关闭无泄漏。还需要注意的是,可调型消音器可以调节阀门的启闭速度,但不可调得过小,否则可能引起阀门不动作。
5、得发在安装前应保持干燥,不可露天存放。
6、安装蝶阀前要检查管道,确保管道内无焊渣等异物。
7、蝶阀阀体手动启闭阻力适中,蝶阀扭矩与所选执行器扭矩匹配。
8、蝶阀连接用法兰规格正确,管道对夹法兰与蝶阀法兰标准相符。建议使用蝶阀专用法兰,不得使用平焊法兰。
9、确认法兰焊接无误,蝶阀安装完毕后不得再焊接法兰,以免烫伤橡胶件。
10、装好的管道法兰要进行对中,并与放入的蝶阀进行对中。
11、装上所有的法兰螺栓,并用手拧紧,将确认蝶阀与法兰已然对中,然后小心的启闭蝶阀,确保启闭灵活。
12、将阀门完全开启,用扳手按照对角线次序将螺栓拧紧,无需垫圈,切勿将螺栓拧的过紧,以防造成阀圈的严重变形,启闭扭矩过大。
订货须知:
一、产品名称与型号口径是否带附件以便我们的为您正确选型使用压力使用介质的温度。
二、若已经由设计单位选定公司的放料阀型号,请型号直接向我司销售部订购。
三、当使用的场合非常重要或环境比较复杂时,请您尽量提供设计图纸和详细参数,由我们的阀门公司专家为您审核把关。如有疑问:请:我们一定会尽心尽力为您提供优质的服务。
扫一扫,手机浏览






