-
详细信息
D71F46对夹软密封全包氟塑料蝶阀产品概述
我公司研制的软密封中线对夹式蝶阀,双偏心法兰式蝶阀结构紧凑,90°回转开关轻松,密封可靠,使用寿命长,被广泛用于水厂、电厂、钢厂、造纸、化工、饮食等系统供排水中,作为调节和截止使用。目前 ,软密封蝶阀作为一种用来实现管路系统通断及流量控制的部件,已在石油、化工、冶金、水电等许多领域中得到极为广泛地应用。

在已公知的蝶阀技术中,其密封形式多采用密封结构,密封材料为橡胶、聚四氟乙烯等。由于结构特征的限制,不适应耐高温、高压及耐腐蚀、抗磨损等行业。现有一种比较先进的蝶阀是三偏心金属硬密封蝶阀,阀体和阀座为连体构件,阀座密封表面层堆焊耐温、耐蚀合金材料。多层软叠式密封圈固定在阀板上,这种蝶阀与传统蝶阀相比具有耐高温,操作轻便,启闭无磨擦,关闭时随着传动机构的力矩增大来补偿密封,提高了蝶阀的密封性能及延长使用寿命的优点D71F46对夹软密封全包氟塑料蝶阀特点
1、本阀采用双偏心结构,具有越关越紧的密封功能,密封性能可靠。
2、密封副材料选用不锈钢和耐油橡胶配对,使用寿命长。
3、橡胶密封圈即可位于阀体上,也可以位于蝶板上,可适用不同特点的介质,供用户选择。
4、蝶板采用框架结构,强度高,过流面积大,流阻小。
5、整体烤漆、能有效地防止锈蚀且只要更换密封阀座密封材料,就可使用于不同介质。
6、本阀具有双向密封功能,安装时不受介质流向的控制,也不受空间位置的影响,可在任何方向安装。
对夹软密封蝶阀在使用过程中仍然存在以下几个问题:
一、由于多层软硬叠式密封圈固定在阀板上,当阀板常开状态时介质对其密封面形成正面冲刷,金属片夹层中的软密封带受冲刷后,直接影响密封性能。
二、受结构条件的限制该结构不适应做通径DN200以下阀门,原因是阀板整体结构太厚,流阻大。
三、因三偏心结构的原理,阀板的密封面与阀座之间的密封是靠传动装置的力矩使阀板压向阀座。正流状态时,介质压力越高密封挤压越紧。当流道介质逆流时随着介质压力的增大阀板与阀座之间的单位正压力小于介质压强时,密封开始泄漏。 高性能软密封蝶阀, 其特征在于:所述阀座密封圈由软性T形密封环两侧多层不锈钢片组成。

阀板与阀座的密封面为斜圆锥结构,在阀板斜圆锥表面堆焊耐温、耐蚀合金材料;固定在调节环压板之间的弹簧与压板上调节螺栓装配一起的结构。这种结构有效地补偿了轴套与阀体之间的公差带及阀杆在介质压力下的弹性变形,解决了阀门在双向互换的介质输送过程中存在的密封问题。采用软性T型两侧多层不锈钢片组成密封圈,具有金属硬密封和软密封的双重优点,无论在低温和高温情况下,均具有零渗漏的密封性能。

试验证明池正流状态(介质流动方向与蝶板转动方向相同)时,密封面的压力是传动装置的力矩和介质压力对阀板的作用产生的。正向介质压力增大时阀板斜圆锥表面与阀座密封面挤压越紧,密封效果越好。当逆流状态时,阀板与阀座之间的密封靠驱动装置的力矩使阀板压向阀座。随着反向介质压力的增大,阀板与阀座之间的单位正压力小于介质压强时,调节环的弹簧在受载后所储存的变形能补偿阀板与阀座密封面的紧压力起到自动补偿作用。因此本实用新型不像现有的技术那样,在阀板上安装软硬多层密封圈,而是直接安装在阀体上,在压板和阀座中间增设调节环是十分理想的双向硬密封方式。它将可取代闸阀、及球形阀

D71F46对夹软密封全包氟塑料蝶阀主要技术参数
D71F46对夹软密封全包氟塑料蝶阀主要零件的材料公称通径
DNmm
50~2000
公称压力
PNMPa
0.6
1.O
1.6
试验压力 PsMPa
强度试验
0.9
1.5
2.4
密封试验
O.66
1.1
1.76
适用介质
空气、水、污水、蒸气、煤气、油品等
驱动形式
手动、蜗轮传动、气传动、电传动
密封材料零件名称
材料
阀体
球墨铸铁、铸钢、合金钢、不锈钢
蝶板
灰铸铁、球墨铸钢、铸钢、不锈钢及特殊材料
密封圈
各种橡胶、聚四氟乙烯
阀杆
2Cr13、不锈钢
填料
0型圈、柔性石墨
材料品种
氯丁橡胶
丁腈橡胶
乙丙橡胶
聚四氟乙烯
硅橡胶
氟橡胶
代号
×或 0rJ
XA或orJA
XB或orJB
xC、JC或0rF
XD或orJD
× E或orJE
耐*高温度
82℃
93℃
150℃
232℃
250℃
204℃
耐*低温度
-40℃
-40℃
-40℃
-268℃
-70℃
-23℃
适用工作温度
≤65℃
≤80℃
≤120℃
≤200℃
≤200℃
≤180℃
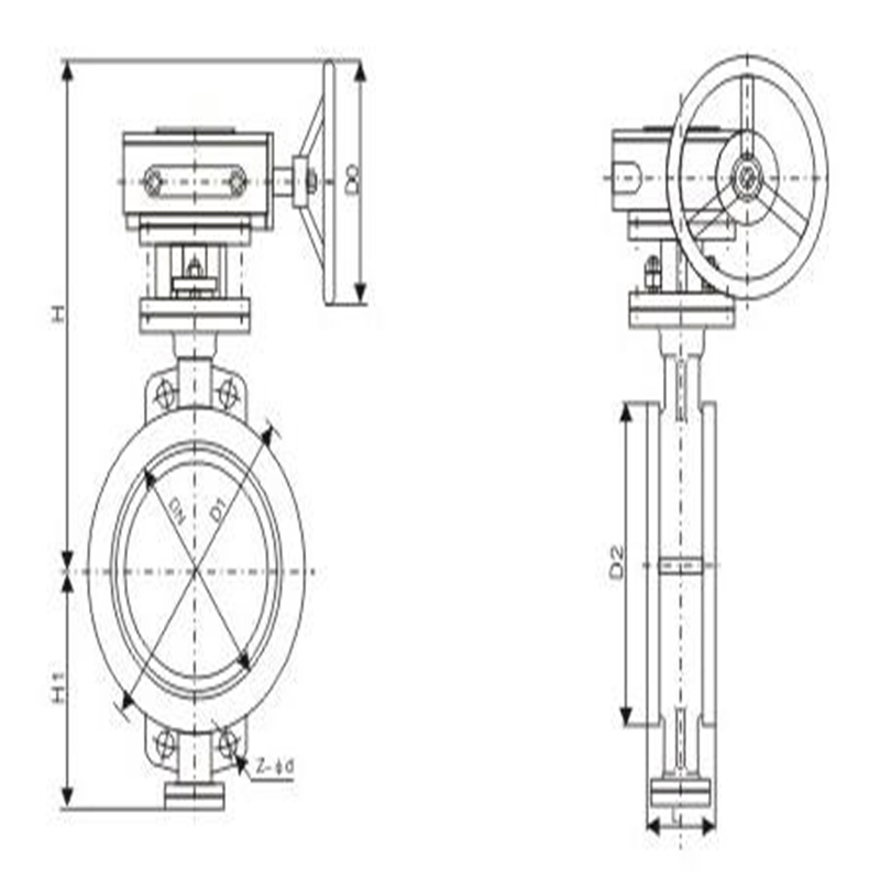
D71、D371、D671、D971(X.J)D71F46对夹软密封全包氟塑料蝶阀连接尺寸通径
主要尺寸
0.25MPa—O.6MPa
1.OMPa
1.6MPa
mm
inch
L
H
H1
D1
Z-φMd
a
D1
Z-φMd
a
D1
Z-φMd
a
50
2
43
80
160
110
4-φ14
45°
125
4-φ18
45°
125
4-φ18
45。
65
21/2
46
88
175
130
4-φ14
45°
145
4-φ18
45°
145
4-φ18
45。
80
3
46
96
180
150
4-φ18
22°30?
160
4-φ18
22°30?
160
4-φ18
22°30?
100
4
52
115
200
170
4-φ18
22°30?
180
4-φ18
22°30?
180
4-φ18
22°30?
125
5
56
128
213
200
4-φ18
22°30?
210
4-φ18
22°30?
210
4-φ18
22°30?
150
6
56
140
225
225
4-φ18
22°30?
240
4-φ23
22°30?
240
4-φ23
22°30?
200
8
60
175
260
280
4-φ18
22°30?
295
4-φ23
22°30?
295
4-φ23
15°
250
10
68
202
290
335
4-φ18
15?
350
4-φ23
15°
355
4-φ25
15°
300
12
78
242
330
395
4-φ23
15?
400
4-φ23
15°
410
4-φ25
15°
350
14
78
266
360
445
4-φ23
11°15?
460
4-φ23
11°15?
470
4-φ25
11°15?
400
16
102
298
390
495
4-φ23
11°15?
515
4-φ25
11°15?
525
4-φ30
11°15?
450
18
114
315
410
550
4-φ23
9°
565
4-φ25
9°
585
4-φ30
9°
500
20
127
348
430
600
4-φ23
9°
620
4-φ25
9°
650
4-φ34
9°
600
24
154
400
490
705
4-φ25
9°
725
4-φ30
9°
770
4-φ41
9°
700
28
165
520
550
810
4-φ25
7°30?
840
4-M27
7°30?
840
4-M36
7°30?
800
32
190
591
610
920
4-φ30
7°30?
950
4-M30
7°30?
950
4-M36
7°30?
900
36
203
660
680
1020
4-M27
6°26?
1050
4-M30
6°26?
1050
4-M36
6°26?
1000
40
216
670
730
1120
4-M27
6°26?
1160
4-M30
6°26?
1170
4-M42
6°26?
1200
48
254
780
835
1340
4-M30
50°38?
1380
4-M36
5°38?
1390
4-M45
5°38?
1400
56
279
950
985
1560
4-M33
结构比较短小,占用空间小,安装的时候先用对夹式蝶阀专用法兰将其固定,然后将固定好的对夹式法兰放入管道两端法兰中间,用螺栓穿过对夹式蝶阀专用法兰和管道法兰将其固定。
具体安装步骤流程如下:
1、将对夹式蝶阀放置于预安装的两片对夹蝶阀专用法兰之间,注意将法兰螺栓孔与蝶阀阀体圆孔对齐。
2、将螺栓和螺母插入法兰孔将阀体与法兰连接,校正一下法里面的平整度,但注意不要把螺栓螺母拧的过紧。
3、将法兰焊接在管道上,这一步要采用点焊的方式。
4、先把对夹式蝶阀取下移出。
5、再将两片法兰完全焊在管道上,完成固定。
6、等法兰与管道的焊接处冷却之后,再讲对夹式蝶阀安装进去。此时注意要将蝶板打开一些。
7、再一次对蝶阀的安装位置做一个校正,拧紧螺栓,但要注意不要拧的过紧。
8、将蝶阀蝶板完全打开,保证蝶阀的蝶板可以自由启闭,能自由开闭。
9、再一次将螺栓交叉,均衡的拧紧;
10、以上步骤完成,再一次对蝶阀的启闭做一个测试,确保阀门可以自由的开关。
法兰式蝶阀安装方法
法兰蝶阀自带法兰,安装时候无需再专门配备法兰片,直接将阀体上的法兰与管道法兰用螺栓连接起来即可。但法兰蝶阀安装时要注意几点:
1.在安装时,蝶阀阀体法兰与管道上法兰之间的端面要平行,不能出现歪斜的情况,否则可能会因为螺栓拧不紧造成法兰连接处泄漏。
2.法兰蝶阀在管道上安装时候要在管道两端法兰与阀体法兰之间加入垫片,但不能用双垫片。
3.紧螺栓时要对称进行,两端法兰连接各个螺栓拧紧力要均匀且一致。
4.在安装时,要先安装蝶阀上定位孔的螺栓,将蝶阀位置对中固定,另外,在紧固法兰螺栓时,要对称交替拧紧,不要依次单独紧固螺栓。
相比对夹蝶阀,法兰蝶阀的密封性能更好,更适合做大口径阀门。但是使用成本和价格也会更高。法兰蝶阀的结构更长,占用的管道安装空间更大。

法兰蝶阀安装方法:
1、法兰蝶阀安装前检查气动蝶阀各部分部件无缺失,型号无误,检查阀体内无杂物,电磁阀和消音器内无阻塞。
2、将阀门和汽缸均置于关闭状态。
3、将汽缸撞到阀门上,(安装方向与阀体平行或垂直都可以),再看螺丝孔是否对正,不会有太大偏差,如有少许偏差,将气缸体转动一点就可以了,然后将螺丝紧固。
4、安装完毕后,对气动蝶阀进行调试(正常情况下供气压力为0.4~0.6MPa),调试运行时须手动操作电磁阀启闭(将电磁阀线圈失电后手动操作方可有效),观察气动蝶阀的启闭情况。如果在调试运行过程中发现阀门在启闭过程初始时有些吃力,之后正常,则需要将气缸行程调小(把气缸两端行程调节螺丝同时往里调一点,调整时需将阀门运行到开位置,然后将气源关掉再调),直至阀门启闭动作顺滑且关闭无泄漏。还需要注意的是,可调型消音器可以调节阀门的启闭速度,但不可调得过小,否则可能引起阀门不动作。
5、得发在安装前应保持干燥,不可露天存放。
6、安装蝶阀前要检查管道,确保管道内无焊渣等异物。
7、蝶阀阀体手动启闭阻力适中,蝶阀扭矩与所选执行器扭矩匹配。
8、蝶阀连接用法兰规格正确,管道对夹法兰与蝶阀法兰标准相符。建议使用蝶阀专用法兰,不得使用平焊法兰。
9、确认法兰焊接无误,蝶阀安装完毕后不得再焊接法兰,以免烫伤橡胶件。
10、装好的管道法兰要进行对中,并与放入的蝶阀进行对中。
11、装上所有的法兰螺栓,并用手拧紧,将确认蝶阀与法兰已然对中,然后小心的启闭蝶阀,确保启闭灵活。
12、将阀门完全开启,用扳手按照对角线次序将螺栓拧紧,无需垫圈,切勿将螺栓拧的过紧,以防造成阀圈的严重变形,启闭扭矩过大。

订货须知:
一、产品名称与型号口径是否带附件以便我们的为您正确选型使用压力使用介质的温度。
二、若已经由设计单位选定公司的放料阀型号,请型号直接向我司销售部订购。
三、当使用的场合非常重要或环境比较复杂时,请您尽量提供设计图纸和详细参数,由我们的阀门公司专家为您审核把关。如有疑问:请:我们一定会尽心尽力为您提供优质的服务。
扫一扫,手机浏览



