-
详细信息
D671F气动对夹式全衬氟蝶阀 产品说明
本发明公开了一种软密封蝶阀,包括有阀体、阀杆,阀杆与阀体之间填充有石墨填料,石墨填料上压置有填料压盖,阀杆下端固定连接有阀板,阀板压圈将阀板密封圈压置于阀板侧壁上,阀板密封圈与阀体内腔密封配合。本发明通过阀板密封圈与阀体实现软性密封接触,启闭方便迅速、省力、流体阻力小,可以经常操作,安装方便。

1.气动蝶阀操作力矩小,是所有阀类中操作力矩*小的一种,启闭迅速,以压缩空气为动力,通过活塞齿条,齿轮的机械传动阀杆,以角行程输出的扭矩转动阀板0~90°,就能快速的完成启闭动作,结构简单、体积小、重量轻、流阻小、流量系数大,密封性能好。调节范围大。是自动化控制系统中仪表的执行单元;
2.采用电-气阀门定位器,以电信号和压缩空气为动力,接受控制系统输入的0-10mA DC或4-20mA DC电流信号,由调节器将压缩空气,转换成气源压力信号输入输出,改变阀板的旋转角度(0-90°任意角度),具有较好的调节控制流量等参数。
3.采用电磁换向阀、阀位回讯器,以AC220V或DC24V电源电压和压缩空气作动力,实现对流体介质的快速二位切断控制。
4.气动执行机构采用活塞式气缸及曲臂转换结构,输出力矩大,体积精小,采用全密封防水设计防护等级高。气缸体采用镜面气缸,无油润滑,磨擦系数小、耐腐蚀、具有超强的耐用性及可靠性。所有传动轴承均采用边界自润滑轴承无油润滑,确保传动轴不摩损。

本发明涉及阀类领域,具体属于一种软密封蝶阀。可用于现场要求空间比较窄、管道距离较短的场合。气动对夹蝶阀采用一个“U”型不锈钢密封圈,该精密的弹性密封圈与经过抛光的蝶板三维偏心接触,解决了传统偏心蝶阀在启闭0°~10°瞬间密封面仍处于滑动接触摩擦的弊病,实现蝶板在开启瞬间密封面即分离,关闭接触即密封的效果,达到延长使用寿命、密封性能的目的。气动对夹蝶阀广泛地应用到冶金、电力、石油、化工、空气、煤气、可燃气体以及给排水等腐蚀性介质的管道上。对夹式气动蝶阀,90°回转开关轻松,密封可靠,使用寿命长,被广泛用于水厂、电厂、钢厂、造纸、化工、饮食等系统供排水中,作为调节和截止使用。

D671F气动对夹式全衬氟蝶阀主要零件材质表
注:系列蝶阀主要零部件及密封圈的材质可根据实际工况条或用户。序号零件名称材 质ZCD1阀座橡胶橡胶橡胶2圆锥销45钢45钢不锈钢3蝶板灰铸铁镀硬铬碳钢或不锈钢不锈钢4阀体灰铸铁碳钢不锈钢5螺柱35钢碳钢不锈钢6阀杆45钢不锈钢不锈钢7键 Key45钢45钢不锈钢8衬套铜基粉末冶金铜基粉末冶金铜基粉末冶金9O形圈橡胶橡胶橡胶10气动装置11位置指示器塑料塑料塑料D671F气动对夹式全衬氟蝶阀产品结构
产品名称气动蝶阀作用形式开关型 调节型连接形式法兰式 对夹式 管螺纹式结构形式三维偏芯型中线型结构二偏芯型三维偏芯型多层次结构弹性座结构阀座密封形式软质密封、硬质合金密封软质密封软质密封、硬质合金密封
中线型结构,由阀体、内衬里层(聚四氟乙烯或橡胶)和(不锈钢阀板或镀铬钢阀板)、阀轴组成,其介质流线型的结构设计近似于直线,调节性能好,密封结构为居中心线型密封,密封性能可靠达到双向密封零泄漏,可以任意位置安装。气动执行器 GT、AT、AW型角行程气动执行机构是蝶阀的驱动装置,由活塞式双作用和单作用(弹簧复位式)两种,由紧凑的双(单)活塞齿轮、齿条式结构,啮合精确、传动平稳、输出扭矩大,动作灵活稳定、重量轻、使用寿命长。(单作用式的弹簧经预压缩后安装、易安装、拆卸、且安全性好。
主要技术参数和性能指标公称通径D(mm)40506580100125150200250300350400450500600700公称压力PN(MPa)0.6、1.0、1.6、2.5流量特性近似等百分比(参见典型曲线图)、直线特性、快开性阀板转角(度)0°~90°(可调)允许泄漏量软密封:O泄漏 硬密封:≤额定Cv×0.001%软密封:VI微气泡级,硬密封:≤额定CV×0.065%允许压差≤公称压力值作用形式双作用/单作用(弹簧复位式)控制型式二位切断型/调节型执行器型 号DA、GTD/GTE系列、AW/AWS系列、ZSQ系列等气源压力净化压缩空气(氮气)0.3-0.7MPa调节型输入信号电流信号:0~10mA、4~10mA 气源信号20~100kPa基本误差带定位器≤±1.5%回 差带定位器≤1.5%死 区带定位器≤0.6%可调节比250:1切断型回讯电压AC220V、AC110V、DC24V、切断时间1-2S3-5S7-18S20-30S附件的选用 (根据不同控制和要求可选择下列附件):
切断型附件:单电控电磁阀、双电控电磁阀、限位开关回讯器。
调节型附件:电气定位器、气动定位器、电气转换器。
气源处理附件:空气过滤减压阀、气源处理三联件。
手动机构:手操机构 主要零件材料及适用温度、介质D671F气动对夹式全衬氟蝶阀
零件名称材料阀体铸铁、碳钢(WCB)、不锈钢(304、316)蝶板灰铸铁、镀铬钢、不锈钢(304、316)衬里材料各种橡胶、聚四氟乙烯阀杆2Cr13、不锈钢(304、316)填料橡胶O型圈、四氟乙烯V型圈、柔性石墨软密封或衬里材料选用和适用温度
材料品种丁晴橡胶乙丙橡胶聚四氟乙烯氟橡胶天然橡胶氯丁橡胶英语简称NBREPDMPTFEVITONNRCR型号代号XA或JAXB或JBF或XC、XE或JEX1X或J耐*高温度93℃150℃232℃204℃85℃82℃耐*低温度-40℃-40℃-268℃-23℃-20℃-40℃适用工作温度-20~ 82℃-40~ 125℃-30~ 150℃-23~ 150℃-20~ 85℃0~ 80℃气动执行器
缸体端盖活塞、齿条O型密封圈轴承垫圈、导环铝合金表面阳极化处理铝合金表面喷塑处理铝合金丁睛橡胶=NBR70塑料工作环境温度:-20~ 90℃,适用介质:压缩空气、氮气等干净、清洁不含腐蚀性气体。D671F气动对夹式全衬氟蝶阀产品应用规范
设计制造标准法兰尺寸标准结构长度标准检验试验标准GB/T12238-89JB/T79-94 HG20592GB12221-89GB/T13927-89 JB/T9092-99MSS-SP-68ANSI B16.5ISO5752-13ZJB16006-90JIS B2024JIS B2212~2215JIS B2002JIS B2003气动执行器
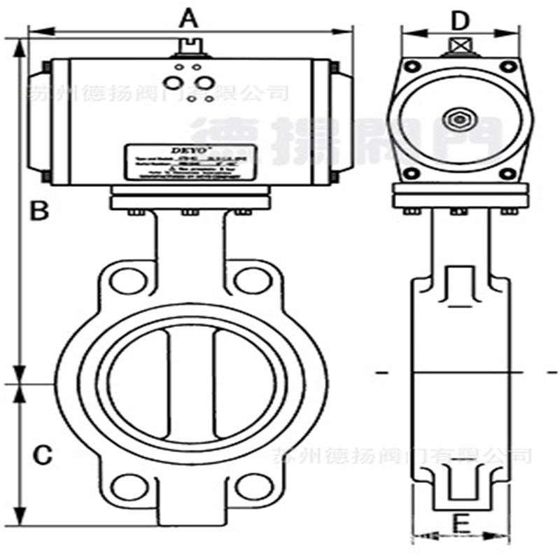
执行器与阀门连接四个或八个螺栓孔符合DIN/ISO5211标准,轴装配孔符合DIN3337标准执行器与控制阀及附件连接符合VDI/VDE3845标准或NAMUR标准主要外形及连接尺寸 D671(X、J、F、F4)-6.0、1D(0.6、1.0MPa)
公称通径 DN外形尺寸连接尺寸执行器型号 *LL1L2HH1DD1n-φd5043164/21475/91263/291801651254-φ18GTD65/GTE806546164/21475/91277/305891851454-φ18GTD65/GTE808046164/21475/91283/311952001608-φ18GTD65/GTE8010052190/24691/101330/3401142201808-φ18GTD80/GTE9012556210/295101/112353/3691272502108-φ18GTD90/GTE10015056247/398112/139382/4081392852408-φ22GTD100/GTE12520060308/478139/176442/4931753402958-φ22GTD125/GTE16025068378/562176/206525/57420339535012-φ22GTD160/GTE19030078432/728206/228619/64224244540012-φ22GTD190/GTE21035078524/928228/275673/72026750546016-φ22GTD210/GTE255400102524/1033228/324705/80030956551516-φ22GTD210/GTE300450114648/1129275/380774/88032861556520-φ26GTD255/GTE350500127715/1430324/425880/90536167062020-φ26GTD300/AW20S600154795/1845380/5271020/108945978072520-φ30GTD350/AW28S700165795/1845280/5271082/115152089584024-φ30GTD350/AW28S8001901380/2605527/4401199/1112591101595024-φ33AW28/AW35S注:数据×××/×××分别是气动执行器双作用式,单作用式(弹簧复位)。
*根据不同的阀门扭矩、使用介质选配。不同的执行器型号,其相关尺寸随之变化。
GT系列、AT系列气动执行器可配至 DN700,AW 系列气动执行器可配蝶至 DN200-1600结构比较短小,占用空间小,安装的时候先用对夹式蝶阀专用法兰将其固定,然后将固定好的对夹式法兰放入管道两端法兰中间,用螺栓穿过对夹式蝶阀专用法兰和管道法兰将其固定。
具体安装步骤流程如下:
1、将对夹式蝶阀放置于预安装的两片对夹蝶阀专用法兰之间,注意将法兰螺栓孔与蝶阀阀体圆孔对齐。
2、将螺栓和螺母插入法兰孔将阀体与法兰连接,校正一下法里面的平整度,但注意不要把螺栓螺母拧的过紧。
3、将法兰焊接在管道上,这一步要采用点焊的方式。
4、先把对夹式蝶阀取下移出。
5、再将两片法兰完全焊在管道上,完成固定。
6、等法兰与管道的焊接处冷却之后,再讲对夹式蝶阀安装进去。此时注意要将蝶板打开一些。
7、再一次对蝶阀的安装位置做一个校正,拧紧螺栓,但要注意不要拧的过紧。
8、将蝶阀蝶板完全打开,保证蝶阀的蝶板可以自由启闭,能自由开闭。
9、再一次将螺栓交叉,均衡的拧紧;
10、以上步骤完成,再一次对蝶阀的启闭做一个测试,确保阀门可以自由的开关。

法兰式蝶阀安装方法
法兰蝶阀自带法兰,安装时候无需再专门配备法兰片,直接将阀体上的法兰与管道法兰用螺栓连接起来即可。但法兰蝶阀安装时要注意几点:
1.在安装时,蝶阀阀体法兰与管道上法兰之间的端面要平行,不能出现歪斜的情况,否则可能会因为螺栓拧不紧造成法兰连接处泄漏。
2.法兰蝶阀在管道上安装时候要在管道两端法兰与阀体法兰之间加入垫片,但不能用双垫片。
3.紧螺栓时要对称进行,两端法兰连接各个螺栓拧紧力要均匀且一致。
4.在安装时,要先安装蝶阀上定位孔的螺栓,将蝶阀位置对中固定,另外,在紧固法兰螺栓时,要对称交替拧紧,不要依次单独紧固螺栓。
相比对夹蝶阀,法兰蝶阀的密封性能更好,更适合做大口径阀门。但是使用成本和价格也会更高。法兰蝶阀的结构更长,占用的管道安装空间更大。
法兰蝶阀安装方法:
1、法兰蝶阀安装前检查气动蝶阀各部分部件无缺失,型号无误,检查阀体内无杂物,电磁阀和消音器内无阻塞。
2、将阀门和汽缸均置于关闭状态。
3、将汽缸撞到阀门上,(安装方向与阀体平行或垂直都可以),再看螺丝孔是否对正,不会有太大偏差,如有少许偏差,将气缸体转动一点就可以了,然后将螺丝紧固。
4、安装完毕后,对气动蝶阀进行调试(正常情况下供气压力为0.4~0.6MPa),调试运行时须手动操作电磁阀启闭(将电磁阀线圈失电后手动操作方可有效),观察气动蝶阀的启闭情况。如果在调试运行过程中发现阀门在启闭过程初始时有些吃力,之后正常,则需要将气缸行程调小(把气缸两端行程调节螺丝同时往里调一点,调整时需将阀门运行到开位置,然后将气源关掉再调),直至阀门启闭动作顺滑且关闭无泄漏。还需要注意的是,可调型消音器可以调节阀门的启闭速度,但不可调得过小,否则可能引起阀门不动作。
5、得发在安装前应保持干燥,不可露天存放。
6、安装蝶阀前要检查管道,确保管道内无焊渣等异物。
7、蝶阀阀体手动启闭阻力适中,蝶阀扭矩与所选执行器扭矩匹配。
8、蝶阀连接用法兰规格正确,管道对夹法兰与蝶阀法兰标准相符。建议使用蝶阀专用法兰,不得使用平焊法兰。
9、确认法兰焊接无误,蝶阀安装完毕后不得再焊接法兰,以免烫伤橡胶件。
10、装好的管道法兰要进行对中,并与放入的蝶阀进行对中。
11、装上所有的法兰螺栓,并用手拧紧,将确认蝶阀与法兰已然对中,然后小心的启闭蝶阀,确保启闭灵活。
12、将阀门完全开启,用扳手按照对角线次序将螺栓拧紧,无需垫圈,切勿将螺栓拧的过紧,以防造成阀圈的严重变形,启闭扭矩过大。

订货须知:
一、产品名称与型号口径是否带附件以便我们的为您正确选型使用压力使用介质的温度。
二、若已经由设计单位选定公司的放料阀型号,请型号直接向我司销售部订购。
三、当使用的场合非常重要或环境比较复杂时,请您尽量提供设计图纸和详细参数,由我们的阀门公司专家为您审核把关。如有疑问:请:我们一定会尽心尽力为您提供优质的服务。
扫一扫,手机浏览


