-
详细信息
TD641W气动通风蝶阀简介
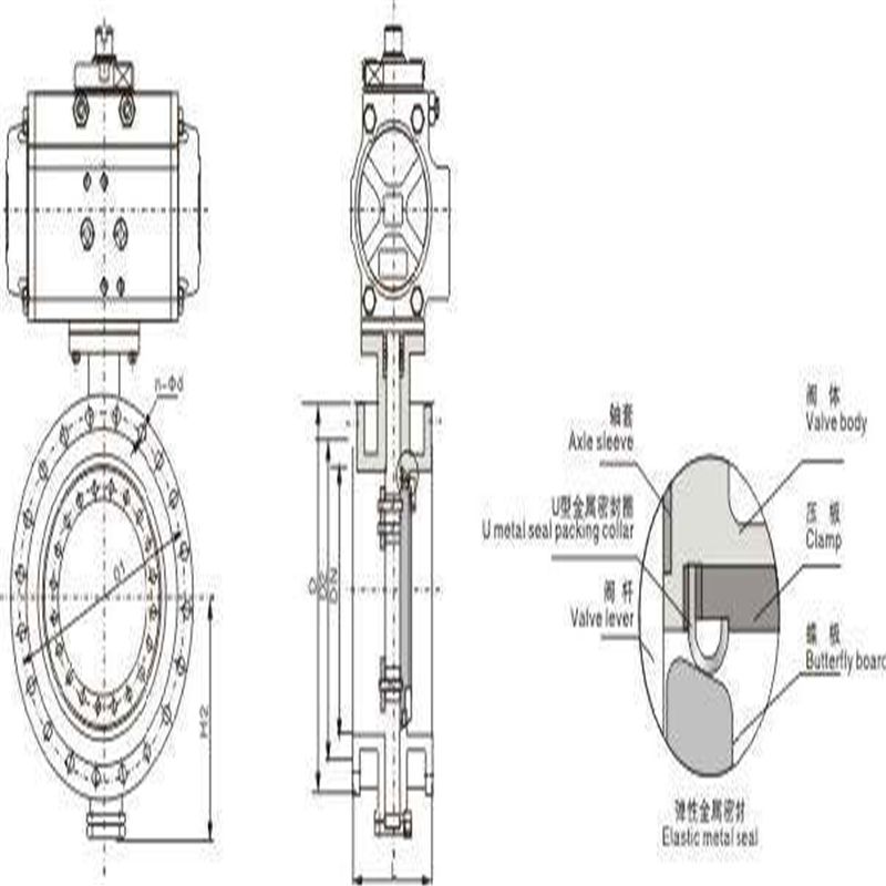
本蝶阀采用与阀体相同材料加工成密封圈,采用电或气动传动。其适用温度随阀体选材而定,公称压力≤0.6MPa,一般适用于工业、冶金、环保等管道作通风调节介质流量之用。通风系统的风道阀门依其作用不同可分为风道密闭阀、风道调节阀、风道止回阀。风道密闭阀的作用是在管道中隔断或切断气流。隔断气流时要求阀门内泄露为零,切断气流时则允许有一定的泄漏量。风道调节阀的作用是在通风系统中起平衡流量调节作用,例如维持个系统之间的压力、各厂房内的温度和湿度等,为了达到此目的我们需要根据起流量特性对风道调节阀进行控制。通风蝶阀为风道密闭阀,近年来随着工农业的发展而应用较多。为此,我厂工程技术人员开发设计了的不同规格的系列蝶阀供用户选择。

The air channel valve of a ventilating system covers air channel closing valve air channel adiusting valve and air channel check valve which are of different actions The action of the air channel closing valve comes at cutting offor isolating the airfIow inside of the Pipeline with the inte rnalleak of the valve required to be ze ro at isoIating the airflow while a certain leakage allowed at cutting off the airfIow The air channel adiusting valve acts at flow balance adiusting in the ventilating system,such as to keep the Pressure between the svstems and the temperature and humidifv inside of the factorv house,and,to qet this Purpose,the valve needs to be controlledupon the flowproperty The ventilating butterfly valve is to be the air channel closing valve and much more applied along with the development of both indusfry and agriculture in the recent years The refore the technicians in this Co have designed and developed series butterfly valves in different specifications for users to select.采用GT或AT系列气动执行器,有双作用式和单作用式(弹簧复位),齿轮传动,安全可靠;大口径阀门采用AW气动执行器拔叉式传动,结构合理,输出扭矩大,有双作用式和单作用式。
1、齿轮式双活塞,输出力矩大,体积小。
2、GT/AT气动执行器选用铝合金材料,重量轻、外形美观。
3、可在顶部、底部安装手动操作机构。
4、齿条式连接可调节开启角度、额定流量。
5、GT/AT气动执行器可选带电讯号反馈指示及各类附件以实现自动化操作。
6、IS05211标准连接为产品的安装更换提供了方便。
7、两端调的节螺钉可使标准产品在0°和90°有±4°的可调范围。确保与阀门的同步精度。

TD641W气动通风蝶阀主要参数
公称压力(MPa) 0.05MPa 介质温度 -30℃~-350℃ 强度试验 0.1MPa 适用介质 冷热风、烟气 介质流速 25m/s 泄漏率 3% 三、气动通风蝶阀 主要零件材料
零件名称 阀体 阀板 阀轴 材料 碳钢 碳钢 碳钢、不锈钢 
四、TD641W气动通风蝶阀 主要外形尺寸DN D D2 L L1 L2 n-Фd b 300 405 370 120 716 220 82 10 350 455 420 140 786 240 84 10 400 505 470 140 924 270 128 10 450 570 530 160 999 295 128 10 500 620 580 160 1079 325 128 10 600 720 680 180 1140 380 168 12 700 820 780 180 1240 430 168 12 800 920 880 200 1350 490 168 12 900 1040 990 200 1450 540 168 14 1000 1140 1090 220 1550 590 208 14 1100 1240 1190 220 1800 640 208 14 1200 1340 1290 240 1900 690 208 14 1300 1440 1390 240 2020 760 208 16 1400 1540 1490 260 2120 810 248 16 1500 1640 1590 260 2220 860 248 16 1600 1740 1690 280 2390 980 248 16 1700 1840 1790 280 2590 1030 28-22 16 1800 1940 1890 300 2709 1096 28-22 16 1900 2040 1990 300 2826 1146 32-22 16 2000 2150 2090 320 2926 1196 32-26 16 2200 2360 2300 340 3126 1296 36-26 16 2400 2560 2500 360 3326 1396 36-26 18 2600 2760 2700 380 3526 1496 40-26 18 2800 2960 2900 400 3726 1596 40-26 18 3000 3190 3110 400 4098 1698 44-30 18 3200 3390 3310 440 4338 1798 44-30 20 3400 3590 3510 440 4578 1898 48-30 20 3600 3790 3710 480 4780 1998 48-30 20 3800 4000 3910 480 5000 2098 52-30 22 4000 4210 4120 520 5200 2210 52-30 22 
TD641W气动通风蝶阀其主要特点为:1、设计新颖、合理、结构独特,重量轻,启闭迅速。
2、操力矩小,操作方便,省力灵巧。
3、采用适应的材料以满足低、中、高不同介质温度其及腐蚀性介质等。采用标准
设计标准:GB/T12238-1989 JB/T8692-1998
法兰连接尺寸:GB/T9115.1-2000
结构长度h:GB/T12221-1989
压力试验:GB/T13927-1992;JB/T9092-1999结构比较短小,占用空间小,安装的时候先用对夹式蝶阀专用法兰将其固定,然后将固定好的对夹式法兰放入管道两端法兰中间,用螺栓穿过对夹式蝶阀专用法兰和管道法兰将其固定。

具体安装步骤流程如下:
1、将对夹式蝶阀放置于预安装的两片对夹蝶阀专用法兰之间,注意将法兰螺栓孔与蝶阀阀体圆孔对齐。
2、将螺栓和螺母插入法兰孔将阀体与法兰连接,校正一下法里面的平整度,但注意不要把螺栓螺母拧的过紧。
3、将法兰焊接在管道上,这一步要采用点焊的方式。
4、先把对夹式蝶阀取下移出。
5、再将两片法兰完全焊在管道上,完成固定。
6、等法兰与管道的焊接处冷却之后,再讲对夹式蝶阀安装进去。此时注意要将蝶板打开一些。
7、再一次对蝶阀的安装位置做一个校正,拧紧螺栓,但要注意不要拧的过紧。
8、将蝶阀蝶板完全打开,保证蝶阀的蝶板可以自由启闭,能自由开闭。
9、再一次将螺栓交叉,均衡的拧紧;
10、以上步骤完成,再一次对蝶阀的启闭做一个测试,确保阀门可以自由的开关。
法兰式蝶阀安装方法
法兰蝶阀自带法兰,安装时候无需再专门配备法兰片,直接将阀体上的法兰与管道法兰用螺栓连接起来即可。但法兰蝶阀安装时要注意几点:
1.在安装时,蝶阀阀体法兰与管道上法兰之间的端面要平行,不能出现歪斜的情况,否则可能会因为螺栓拧不紧造成法兰连接处泄漏。
2.法兰蝶阀在管道上安装时候要在管道两端法兰与阀体法兰之间加入垫片,但不能用双垫片。
3.紧螺栓时要对称进行,两端法兰连接各个螺栓拧紧力要均匀且一致。
4.在安装时,要先安装蝶阀上定位孔的螺栓,将蝶阀位置对中固定,另外,在紧固法兰螺栓时,要对称交替拧紧,不要依次单独紧固螺栓。
相比对夹蝶阀,法兰蝶阀的密封性能更好,更适合做大口径阀门。但是使用成本和价格也会更高。法兰蝶阀的结构更长,占用的管道安装空间更大。

法兰蝶阀安装方法:
1、法兰蝶阀安装前检查气动蝶阀各部分部件无缺失,型号无误,检查阀体内无杂物,电磁阀和消音器内无阻塞。
2、将阀门和汽缸均置于关闭状态。
3、将汽缸撞到阀门上,(安装方向与阀体平行或垂直都可以),再看螺丝孔是否对正,不会有太大偏差,如有少许偏差,将气缸体转动一点就可以了,然后将螺丝紧固。
4、安装完毕后,对气动蝶阀进行调试(正常情况下供气压力为0.4~0.6MPa),调试运行时须手动操作电磁阀启闭(将电磁阀线圈失电后手动操作方可有效),观察气动蝶阀的启闭情况。如果在调试运行过程中发现阀门在启闭过程初始时有些吃力,之后正常,则需要将气缸行程调小(把气缸两端行程调节螺丝同时往里调一点,调整时需将阀门运行到开位置,然后将气源关掉再调),直至阀门启闭动作顺滑且关闭无泄漏。还需要注意的是,可调型消音器可以调节阀门的启闭速度,但不可调得过小,否则可能引起阀门不动作。
5、得发在安装前应保持干燥,不可露天存放。
6、安装蝶阀前要检查管道,确保管道内无焊渣等异物。
7、蝶阀阀体手动启闭阻力适中,蝶阀扭矩与所选执行器扭矩匹配。
8、蝶阀连接用法兰规格正确,管道对夹法兰与蝶阀法兰标准相符。建议使用蝶阀专用法兰,不得使用平焊法兰。
9、确认法兰焊接无误,蝶阀安装完毕后不得再焊接法兰,以免烫伤橡胶件。
10、装好的管道法兰要进行对中,并与放入的蝶阀进行对中。
11、装上所有的法兰螺栓,并用手拧紧,将确认蝶阀与法兰已然对中,然后小心的启闭蝶阀,确保启闭灵活。
12、将阀门完全开启,用扳手按照对角线次序将螺栓拧紧,无需垫圈,切勿将螺栓拧的过紧,以防造成阀圈的严重变形,启闭扭矩过大。

订货须知:
一、产品名称与型号口径是否带附件以便我们的为您正确选型使用压力使用介质的温度。
二、若已经由设计单位选定公司的放料阀型号,请型号直接向我司销售部订购。
三、当使用的场合非常重要或环境比较复杂时,请您尽量提供设计图纸和详细参数,由我们的阀门公司专家为您审核把关。如有疑问:请:我们一定会尽心尽力为您提供优质的服务。
扫一扫,手机浏览

