-
详细信息
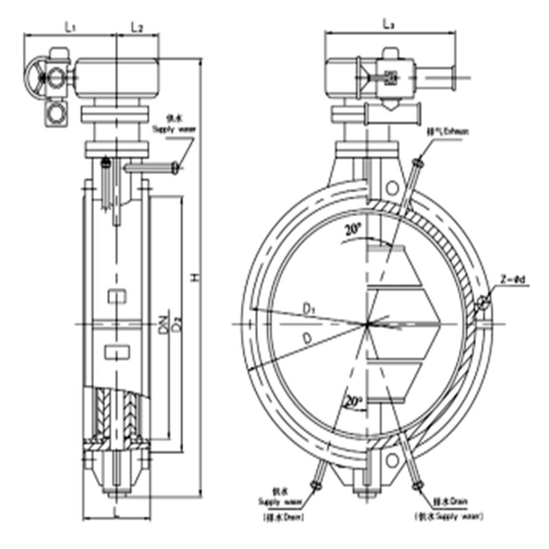
BD343H金属密封保温夹套法兰式蝶阀 产品说明
硬密封保温蝶阀也称夹套蝶阀,是在普通三偏心金属硬密封蝶阀的基础上在阀体外部焊装了金属夹套,在保温蝶阀的阀体两侧装有夹套接口,可涵入蒸汽或其它过热气体,以防止介质在常温状态下凝固或结晶。保温蝶阀的法兰较普通金属硬密封蝶阀要大一到两个规格,主要用于石油、化工、冶金、制药等各类系统。

本实用新型公开了一种金属密封保温夹套蝶阀,包括压套,若干轴套,防尘装置,阀杆,圆锥销,阀板,阀体,保温夹套层,填料,填料压套,填料压板,阀座,阀座压圈,若干蒸汽接口,所述阀体为整体铸造结构,保温夹套层整体包覆在阀体壁外侧,阀体的两端开有轴孔,轴孔内设有填料,所述填料由填料压套和填料压板进行挤压,填料压套和填料压板固定在阀体上,所述阀杆采用一体式结构,阀板通过若干圆锥销与阀杆联接,所述圆锥销露出部分与阀板点焊,圆锥销外部设有螺纹孔.本实用新型实现了阀门整体保温的目的,避免了介质进入轴套产生轴套与阀杆卡滞或抱死的现象,同时轴套也包覆在保温层内,消除了由于温度差引起的机械变形现象,提高了阀门使用寿命.是在普通三偏心金属硬密封蝶阀的基础上在阀体外部焊装了金属夹套,在保温蝶阀的阀体两侧装有夹套接口,可涵入蒸汽或其它过热气体,以防止介质在常温状态下凝固或结晶。保温蝶阀的法兰较普通金属硬密封蝶阀要大一到两个规格,主要用于石油、化工、冶金、制药等各类系统。
是在普通三偏心金属硬密封蝶阀的基础上在阀体外部焊装了金属夹套,在保温蝶阀的阀体两侧装有夹套接口,可涵入蒸汽或其它过热气体,以防止介质在常温状态下凝固或结晶。保温蝶阀的法兰较普通金属硬密封蝶阀要大一到两个规格,主要用于石油、化工、冶金、制药等各类系统。
保温蝶阀也称夹套蝶阀,是在普通三偏心金属硬密封蝶阀的基础上在阀体外部焊装了金属夹套,在保温蝶阀的阀体两侧装有夹套接口,可涵入蒸汽或其它过热气体,以防止介质在常温状态下凝固或结晶。保温蝶阀的法兰较普通金属硬密封蝶阀要大一到两个规格,主要用于石油、化工、冶金、制药等各类系统。
保温碟阀也可以被叫做夹套蝶阀。为什么叫做夹套蝶阀?是因为这种阀门制作基础是普通三偏心金属硬密封蝶阀,金属夹套安装在其阀体的外部。这种夹套蝶阀装有夹套接口,这个夹套接口是装在阀体的两侧,这个夹套接口中一般会有蒸汽或其它过热气体通过,这些过热气体的通过可以避免经过阀门的介质在常温下出现结晶、凝固。目前,此种产品主要在石油、化工、冶金、制药等行业中有应用。此种产品中在实际使用中有以下几种特点:
一、保温蝶阀的规格一般要比普通金属硬密封蝶阀大一两个规格,其他的参数也可以参考普通金属硬密封蝶阀。
二、这种产品在保温保冷方面有着良好的特性,并且阀门的通径和管径有一致性,一般适用于容易凝固且粘度高的流动性强的介质。
三、使用此种产品还可以保持介质在流动中的热量不受损失。
四、夹套、阀体外侧和夹套接管焊接在一起,所以只允许蒸汽或冷水的*高压力为1MPa。

BD343H金属密封保温夹套法兰式蝶阀-特点
1、本阀采用三偏心密封结构,阀座与蝶板几乎无磨损,具有越观越紧的密封功能。
2、密封圈选用不锈钢制作,具有金属硬密封和弹性密封的双重优点,无论在低温和高温的情况下,均具有优良的密封性能,具有耐腐蚀,使用寿命长等特点。
3、碟板密封面采用堆焊钴基硬质合金,密封面耐磨损,使用寿命长.
4、大规格蝶板采用绗架结构,强度高,过流面积大,流阻小。
5、本阀具有双向密封功能,安装时不受介质流向的限制,也不受空间位置的影响,可在任何方向安装。
6、驱动装置可以多工位(旋转90°或180°)安装,便于用户使用。
【BD343H金属密封保温夹套法兰式蝶阀执行标准】
设计规范: GB/T 12238 API609
法兰连接: GB/T 9113 API609 ASME B16.5 ISO5752
试验与检验:GB/T 13927 API598
BD343H金属密封保温夹套法兰式蝶阀性能参数
保温蝶阀型号 BD343H
BD343Y
BD343WCBD643H
BD643Y
BD643WCBD943H
BD943Y
BD943WC适用介质 易凝固或结晶类介质等 材料 阀体 WCB CF8 CF8 铬钼钢 低温钢 镍合金 Monel Duplex Steel 蝶板 WCB CF8 CF8 铬钼钢 低温钢 镍合金 Monel Duplex Steel 阀杆 2Cr13 F304 F316铬钼钢 低温钢 镍合金 Monel 密封面 SS+柔性石墨 不锈钢司太立合金 碳化钨 镍合金 Monel 填料 柔性石墨
BDd3
6
943H- 6
10C.P.R.V系列BD343H硬密封保温蝶阀
公称通径
DN(mm)结构长度
(标准值)外形尺寸(参考值) 连接尺寸(标准值) 48-48参考重量
D1341H
(kg)L H BDd343H BDd643H BDd943H PN0.6MPa PN1.6MPa 毫米mm 英寸inch 短Brief 长Long H1 A1 B1 H2 A2 B2 H3 A3 B3 D D1 Z-d D D1 Z-d 50 2 108 150 112 350 180 200 625 245 72 530 250 255 140 110 4-14 165 125 4-18 17 65 21/2 112 170 115 370 180 200 625 245 72 530 250 255 160 130 4-14 185 145 4-18 20 80 3 114 180 120 380 180 200 645 245 72 565 250 255 190 150 4-18 200 160 8-18 23 100 4 127 190 138 420 180 200 675 355 92 600 250 255 210 170 4-18 220 180 8-18 25 125 5 140 200 164 460 180 200 715 355 92 640 250 255 240 200 8-18 250 210 8-18 40 150 6 140 210 175 555 270 280 800 355 92 705 300 315 265 225 8-18 285 240 8-22 47 200 8 152 230 200 760 400 425 850 250 170 775 300 315 320 280 8-18 340 295 8-22 60 250 10 165 250 243 830 400 425 925 250 170 945 300 315 375 335 12-18 365 350 12-22 95 300 12 178 270 250 895 450 560 1035 450 220 1070 300 315 440 395 12-22 445 400 12-22 124 350 14 190 290 280 950 450 560 1070 450 220 1140 300 315 490 445 12-22 505 460 16-22 181 400 16 216 310 305 1190 535 580 1190 450 220 1210 300 315 540 495 16-22 565 515 16-22 260 450 18 222 330 350 1255 535 580 1250 650 280 1335 575 714 595 550 16-22 615 565 16-26 338 500 20 229 350 380 1305 535 580 1290 650 280 1415 575 714 645 600 20-22 670 620 20-26 360 600 24 267 390 445 1340 570 660 1455 850 380 1605 656 810 755 705 20-26 780 725 20-26 540 700 28 292 430 480 1520 750 550 1585 850 380 1844 656 810 860 810 24-26 895 840 20-30 580 800 32 318 470 530 1710 750 550 1700 1250 380 2040 656 810 975 920 24-30 1015 950 24-30 845 900 36 330 510 580 1810 750 550 1965 1250 380 2255 785 863 1075 1020 24-30 1115 1050 24-33 1050 1000 40 410 550 650 1960 900 750 2015 1250 380 2380 785 863 1175 1120 28-30 1230 1160 28-33 1500 1200 48 470 630 760 2250 1000 925 2250 1250 380 2640 785 863 1405 1340 32-33 1455 1380 28-36 2000 1400 56 530 710 850 2435 1000 925 2886 1630 1560 36-36 1675 1590 32-39 3000 1600 64 600 790 1030 2780 1000 925 3156 1830 1760 40-36 1915 1820 36-42 4700 1800 72 670 870 1230 3020 1100 980 3421 2045 1970 44-39 2115 2020 40-48 6500 2000 80 760 950 1350 3270 1100 980 3685 2265 2180 48-42 2325 2230 44-48 8700
BDd3
6
943H- 6
25C.P.R.V系列法BD343H硬密封保温蝶阀
公称通径
DN(mm)结构长度
(标准值)外形尺寸(参考值) 连接尺寸(标准值) 48-48参考重量
D1341H
(kg)L H BDd343H BDd643H BDd943H PN0.6MPa PN1.6MPa 毫米mm 英寸inch 短Brief 长Long H1 A1 B1 H2 A2 B2 H3 A3 B3 D D1 Z-d D D1 Z-d 50 2 108 150 112 350 180 200 625 245 72 530 250 255 165 125 4-14 165 125 4-18 19 65 21/2 112 170 115 370 180 200 625 245 72 530 250 255 185 145 4-14 185 145 8-18 22 80 3 114 180 120 380 180 200 645 245 72 565 250 255 200 160 4-18 200 160 8-18 25 100 4 127 190 138 420 180 200 675 355 92 600 250 255 220 180 4-18 235 190 8-22 28 125 5 140 200 164 460 180 200 715 355 92 640 250 255 250 210 8-18 270 220 8-26 43 150 6 140 210 175 555 270 280 800 355 92 705 300 315 285 240 8-18 300 250 8-26 50 200 8 152 230 200 760 400 425 850 250 170 775 300 315 340 295 8-18 360 310 12-26 64 250 10 165 250 243 830 400 425 925 250 170 945 300 315 405 355 12-18 425 370 12-30 99 300 12 178 270 250 895 450 560 1035 450 220 1070 300 315 460 410 12-22 485 430 16-30 130 350 14 190 290 280 950 450 560 1070 450 220 1140 300 315 520 470 12-22 555 490 16-33 188 400 16 216 310 305 1190 535 580 1190 450 220 1210 300 315 580 525 16-22 620 550 16-36 270 450 18 222 330 350 1255 535 580 1250 650 280 1335 575 714 640 585 16-22 670 600 20-36 350 500 20 229 350 380 1305 535 580 1290 650 280 1415 575 714 715 650 20-22 730 660 20-36 375 600 24 267 390 445 1340 570 660 1455 850 380 1605 656 810 840 770 20-26 845 770 20-39 560 700 28 292 430 480 1520 750 550 1585 850 380 1844 656 810 910 840 24-26 960 875 24-42 610 800 32 318 470 530 1710 750 550 1700 1250 380 2040 656 810 1025 950 24-30 1085 990 24-48 880 900 36 330 510 580 1810 750 550 1965 1250 380 2255 785 863 1125 1050 24-30 1185 1090 28-48 1100 1000 40 410 550 650 1960 900 750 2015 1250 380 2380 785 863 1255 1170 28-30 1320 1210 28-56 1600 1200 48 470 630 760 2250 1000 925 2250 1250 380 2640 785 863 1485 1390 32-33 1530 1420 32-56 2150 1400 56 530 710 850 2435 1000 925 2886 1685 1590 36-36 1755 1640 36-62 3200 
结构比较短小,占用空间小,安装的时候先用对夹式蝶阀专用法兰将其固定,然后将固定好的对夹式法兰放入管道两端法兰中间,用螺栓穿过对夹式蝶阀专用法兰和管道法兰将其固定。具体安装步骤流程如下:
1、将对夹式蝶阀放置于预安装的两片对夹蝶阀专用法兰之间,注意将法兰螺栓孔与蝶阀阀体圆孔对齐。
2、将螺栓和螺母插入法兰孔将阀体与法兰连接,校正一下法里面的平整度,但注意不要把螺栓螺母拧的过紧。
3、将法兰焊接在管道上,这一步要采用点焊的方式。
4、先把对夹式蝶阀取下移出。
5、再将两片法兰完全焊在管道上,完成固定。
6、等法兰与管道的焊接处冷却之后,再讲对夹式蝶阀安装进去。此时注意要将蝶板打开一些。
7、再一次对蝶阀的安装位置做一个校正,拧紧螺栓,但要注意不要拧的过紧。
8、将蝶阀蝶板完全打开,保证蝶阀的蝶板可以自由启闭,能自由开闭。
9、再一次将螺栓交叉,均衡的拧紧;
10、以上步骤完成,再一次对蝶阀的启闭做一个测试,确保阀门可以自由的开关。

法兰式蝶阀安装方法
法兰蝶阀自带法兰,安装时候无需再专门配备法兰片,直接将阀体上的法兰与管道法兰用螺栓连接起来即可。但法兰蝶阀安装时要注意几点:
1.在安装时,蝶阀阀体法兰与管道上法兰之间的端面要平行,不能出现歪斜的情况,否则可能会因为螺栓拧不紧造成法兰连接处泄漏。
2.法兰蝶阀在管道上安装时候要在管道两端法兰与阀体法兰之间加入垫片,但不能用双垫片。
3.紧螺栓时要对称进行,两端法兰连接各个螺栓拧紧力要均匀且一致。
4.在安装时,要先安装蝶阀上定位孔的螺栓,将蝶阀位置对中固定,另外,在紧固法兰螺栓时,要对称交替拧紧,不要依次单独紧固螺栓。
相比对夹蝶阀,法兰蝶阀的密封性能更好,更适合做大口径阀门。但是使用成本和价格也会更高。法兰蝶阀的结构更长,占用的管道安装空间更大。
法兰蝶阀安装方法:
1、法兰蝶阀安装前检查气动蝶阀各部分部件无缺失,型号无误,检查阀体内无杂物,电磁阀和消音器内无阻塞。
2、将阀门和汽缸均置于关闭状态。
3、将汽缸撞到阀门上,(安装方向与阀体平行或垂直都可以),再看螺丝孔是否对正,不会有太大偏差,如有少许偏差,将气缸体转动一点就可以了,然后将螺丝紧固。
4、安装完毕后,对气动蝶阀进行调试(正常情况下供气压力为0.4~0.6MPa),调试运行时须手动操作电磁阀启闭(将电磁阀线圈失电后手动操作方可有效),观察气动蝶阀的启闭情况。如果在调试运行过程中发现阀门在启闭过程初始时有些吃力,之后正常,则需要将气缸行程调小(把气缸两端行程调节螺丝同时往里调一点,调整时需将阀门运行到开位置,然后将气源关掉再调),直至阀门启闭动作顺滑且关闭无泄漏。还需要注意的是,可调型消音器可以调节阀门的启闭速度,但不可调得过小,否则可能引起阀门不动作。
5、得发在安装前应保持干燥,不可露天存放。
6、安装蝶阀前要检查管道,确保管道内无焊渣等异物。
7、蝶阀阀体手动启闭阻力适中,蝶阀扭矩与所选执行器扭矩匹配。
8、蝶阀连接用法兰规格正确,管道对夹法兰与蝶阀法兰标准相符。建议使用蝶阀专用法兰,不得使用平焊法兰。
9、确认法兰焊接无误,蝶阀安装完毕后不得再焊接法兰,以免烫伤橡胶件。
10、装好的管道法兰要进行对中,并与放入的蝶阀进行对中。
11、装上所有的法兰螺栓,并用手拧紧,将确认蝶阀与法兰已然对中,然后小心的启闭蝶阀,确保启闭灵活。
12、将阀门完全开启,用扳手按照对角线次序将螺栓拧紧,无需垫圈,切勿将螺栓拧的过紧,以防造成阀圈的严重变形,启闭扭矩过大。
订货须知:
一、产品名称与型号口径是否带附件以便我们的为您正确选型使用压力使用介质的温度。
二、若已经由设计单位选定公司的放料阀型号,请型号直接向我司销售部订购。
三、当使用的场合非常重要或环境比较复杂时,请您尽量提供设计图纸和详细参数,由我们的阀门公司专家为您审核把关。如有疑问:请:我们一定会尽心尽力为您提供优质的服务。
扫一扫,手机浏览


