-
详细信息
一、D9B43H普通防爆型电动硬密封三偏心蝶阀 概述
电动硬密封蝶阀采用精密的J形弹性密封圈和三偏心多层次金属硬密封结构,被广泛用于介质温度≤425℃的治金 、电力、石油化工、以及给排水和市政建设等工业管道上,作调节流量和载断流体使用。电动硬密封蝶阀采用三偏心结构,阀座与碟板密封面均采用不同硬度和不锈钢制作,电动硬密封蝶阀具有良好的耐腐蚀性,使用寿命长,本阀均有双向密封功能,产品符合国家GB/T13927-92阀门压力试验标准。电动法兰硬密封蝶阀作为新一代调速型蝶阀,本阀从设计思路上改变了传统的靠机械变速来完成蝶板开关速度变化的模式,根据蝶板不同位置的动作特点,从电动驱动控制上进行了全新的设计。电动法兰蝶阀采取改电动装置输入电流的频率,进而调整电动装置的转动速度和输出力矩,以达到控制蝶板开工关速度,实现蝶板快关、慢关两阶段关闭或慢开、快开两阶段开启的目的。与液控蝶阀具有同样的功能。
电动法兰硬密封蝶阀工作原理:

电动法兰硬密封蝶阀通常由角行程电动执行机构(0-90°部分回转)和蝶阀整体通过机械连接,经过安装调试后共同组成。且结构简单、体积小、重量轻,只由少数几个零件组成。而且只需旋转90°即可快速启闭,操作简单,同时该阀门具有良好的流体控制特性。
电动法兰硬密封蝶阀产品特点:
1、当发生事故或停电时,可以通过手动操作控制蝶阀启闭。
2、电动启闭,具有任意调整、止回和截止功能。操作方便,安全可靠。
3、流阻小。本阀全开时流阻系数不超过0.3,因此可以节约能源,降低管路的运行费用。
4、节能驱动,与普通蝶阀同样的驱动电机即可实现快关段高速小转矩和慢关低段大转矩的功能。
5、本阀可连续实现慢开、快开或快关、慢关的动作,并有效的防止了泵出口介质倒流和水锤的产生。
6、安装在泵出口时,本蝶阀同时具有止回啊和闸阀的共同功能,因此可以一阀代两阀,节约安装空间,节省管网造价。电动硬密封法兰蝶阀 执行机构 1.电源:电机为三相交流,380V(特殊订货660V、440V或220V),50Hz(特殊订货60Hz);控制线电压220V/50Hz(特殊订货60Hz);远程控制电压24VDC。
2.工作环境:
3.环境温度:-20—+60℃(特殊订货-60—+80℃)
4.相对温度:≤90%(25℃时)
5.普通型和户外型用于无易燃/易爆和无腐蚀性介质的场所;防爆型产品有dⅠ和dⅡBT4两种,dⅠ适用于煤矿非采掘工作面;dⅡBT4用于工厂,适用于环境为ⅡA、ⅡB级T1-T4组的爆炸性 气体混合物。(详见GB3836.1)
6 防护等级:户外型和防爆型为IP55(可订制IP67)。
7. 工作制:为短时10分钟(可订制30分钟)。D9B43H普通防爆型电动硬密封三偏心蝶阀 特点
1、电动硬密封蝶阀采用三偏心密封结构,阀座与蝶板几乎无磨损,具有越观越紧的密封功能。
2、密封圈选用不锈钢制作,具有金属硬密封和弹性密封的双重优点,无论在低温和高温的情况下,均具有优良的密封性能,具有耐腐蚀,使用寿命长等特点。
3、碟板密封面采用堆焊钴基硬质合金,密封面耐磨损,使用寿命长。
4、大规格蝶板采用绗架结构,强度高,过流面积大,流阻小。
5、本阀具有双向密封功能,安装时不受介质流向的限制,也不受空间位置的影响,可在任何方向安装。
6、驱动装置可以多工位(旋转90°或180°)安装,便于用户使用。

三、D9B43H普通防爆型电动硬密封三偏心蝶阀 主要性能规范
公称通径DN(mm) 50-1200 公称压力PN(MPa) 1.0 1.6 公称压力PS(MPa) 强度试验 1.5 2.4 密封试验 1.1 1.76 材料\材料代号 C P R 主要零件 阀体 WCB ZG1Cr18Ni9Ti ZG0Cr18Ni12Mo2Ti 蝶板 WCB ZG1Cr18Ni9Ti ZG0Cr18Ni12Mo2Ti 阀杆 2Cr13 1Cr18Ni9Ti 0Cr18Ni12Mo2Ti 密封圈 四氟 不锈钢 填料 四氟 柔性石墨 适用工况 适用介质 水、蒸汽、油品 硝酸类 醋酸类 适用温度 -40℃~200℃(超该温度范围;订货时请注明)
主要零件材料:零件名称 材料 阀 体 铸铁、不锈钢、铬钼钢、合金钢 蝶 板 铸钢、合金钢、不锈钢、铬钼钢 密封圈 不锈钢与耐高温石棉板组合成多层次 阀 杆 2Cr13、1Cr13不锈钢、铬钼钢 填 料 柔性石墨
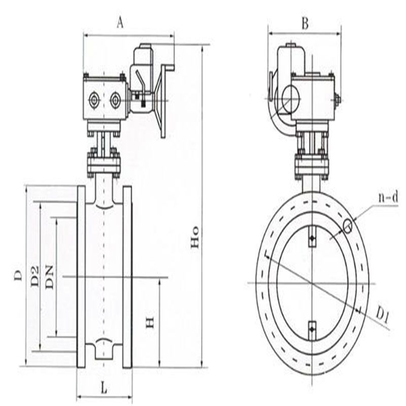
D3(6、9)43H-6~10(C、P、R、V)电动硬密封蝶阀 系列连接尺寸:公称通径DN 外形尺寸 连接尺寸 L H D343H D643H D943H PN0.6MPa PN1.0MPa 短 长 H 1 A 1 B 1 H 2 A 2 B 2 H 3 A 3 B 3 D D 1 z-d D D 1 z-d 50 108 150 112 350 180 200 605 245 72 530 250 255 140 110 4-14 165 125 4-18 65 112 170 115 370 180 200 625 245 72 550 250 255 160 130 4-14 185 145 4-18 80 114 180 120 380 180 200 645 245 72 565 250 255 190 150 4-18 200 160 8-18 100 127 190 138 420 180 200 675 355 92 600 250 255 210 170 4-18 220 180 8-18 125 140 200 164 460 180 200 715 355 92 640 250 255 240 200 8-18 250 210 8-18 150 140 210 175 555 270 280 800 355 92 705 300 315 265 225 8-18 285 240 8-22 200 152 230 208 605 270 280 850 250 170 775 300 315 320 280 12-18 340 295 8-22 250 165 250 243 680 270 280 925 250 170 945 300 315 375 335 12-22 395 330 12-22 300 178 270 283 800 380 420 1035 450 220 1070 300 315 440 395 12-22 445 400 12-22 350 190 290 310 835 380 420 1070 450 220 1140 300 315 490 445 16-22 505 460 16-22 400 216 310 340 915 450 470 1190 450 280 1210 300 315 540 495 16-22 565 515 16-26 450 222 330 380 960 450 470 1250 650 280 1335 575 714 595 550 16-22 615 565 20-26 500 229 350 410 1020 480 490 1295 650 280 1415 575 714 645 600 20-22 670 620 20-26 600 267 390 470 1225 640 660 1455 850 380 1605 656
结构比较短小,占用空间小,安装的时候先用对夹式蝶阀专用法兰将其固定,然后将固定好的对夹式法兰放入管道两端法兰中间,用螺栓穿过对夹式蝶阀专用法兰和管道法兰将其固定。

具体安装步骤流程如下:
1、将对夹式蝶阀放置于预安装的两片对夹蝶阀专用法兰之间,注意将法兰螺栓孔与蝶阀阀体圆孔对齐。
2、将螺栓和螺母插入法兰孔将阀体与法兰连接,校正一下法里面的平整度,但注意不要把螺栓螺母拧的过紧。
3、将法兰焊接在管道上,这一步要采用点焊的方式。
4、先把对夹式蝶阀取下移出。
5、再将两片法兰完全焊在管道上,完成固定。
6、等法兰与管道的焊接处冷却之后,再讲对夹式蝶阀安装进去。此时注意要将蝶板打开一些。
7、再一次对蝶阀的安装位置做一个校正,拧紧螺栓,但要注意不要拧的过紧。
8、将蝶阀蝶板完全打开,保证蝶阀的蝶板可以自由启闭,能自由开闭。
9、再一次将螺栓交叉,均衡的拧紧;
10、以上步骤完成,再一次对蝶阀的启闭做一个测试,确保阀门可以自由的开关。
D9B43H普通防爆型电动硬密封三偏心蝶阀 安装方法
法兰蝶阀自带法兰,安装时候无需再专门配备法兰片,直接将阀体上的法兰与管道法兰用螺栓连接起来即可。但法兰蝶阀安装时要注意几点:
1.在安装时,蝶阀阀体法兰与管道上法兰之间的端面要平行,不能出现歪斜的情况,否则可能会因为螺栓拧不紧造成法兰连接处泄漏。
2.法兰蝶阀在管道上安装时候要在管道两端法兰与阀体法兰之间加入垫片,但不能用双垫片。
3.紧螺栓时要对称进行,两端法兰连接各个螺栓拧紧力要均匀且一致。
4.在安装时,要先安装蝶阀上定位孔的螺栓,将蝶阀位置对中固定,另外,在紧固法兰螺栓时,要对称交替拧紧,不要依次单独紧固螺栓。
相比对夹蝶阀,法兰蝶阀的密封性能更好,更适合做大口径阀门。但是使用成本和价格也会更高。法兰蝶阀的结构更长,占用的管道安装空间更大。

法兰蝶阀安装方法:
1、法兰蝶阀安装前检查气动蝶阀各部分部件无缺失,型号无误,检查阀体内无杂物,电磁阀和消音器内无阻塞。
2、将阀门和汽缸均置于关闭状态。
3、将汽缸撞到阀门上,(安装方向与阀体平行或垂直都可以),再看螺丝孔是否对正,不会有太大偏差,如有少许偏差,将气缸体转动一点就可以了,然后将螺丝紧固。
4、安装完毕后,对气动蝶阀进行调试(正常情况下供气压力为0.4~0.6MPa),调试运行时须手动操作电磁阀启闭(将电磁阀线圈失电后手动操作方可有效),观察气动蝶阀的启闭情况。如果在调试运行过程中发现阀门在启闭过程初始时有些吃力,之后正常,则需要将气缸行程调小(把气缸两端行程调节螺丝同时往里调一点,调整时需将阀门运行到开位置,然后将气源关掉再调),直至阀门启闭动作顺滑且关闭无泄漏。还需要注意的是,可调型消音器可以调节阀门的启闭速度,但不可调得过小,否则可能引起阀门不动作。
5、得发在安装前应保持干燥,不可露天存放。
6、安装蝶阀前要检查管道,确保管道内无焊渣等异物。
7、蝶阀阀体手动启闭阻力适中,蝶阀扭矩与所选执行器扭矩匹配。
8、蝶阀连接用法兰规格正确,管道对夹法兰与蝶阀法兰标准相符。建议使用蝶阀专用法兰,不得使用平焊法兰。
9、确认法兰焊接无误,蝶阀安装完毕后不得再焊接法兰,以免烫伤橡胶件。
10、装好的管道法兰要进行对中,并与放入的蝶阀进行对中。
11、装上所有的法兰螺栓,并用手拧紧,将确认蝶阀与法兰已然对中,然后小心的启闭蝶阀,确保启闭灵活。
12、将阀门完全开启,用扳手按照对角线次序将螺栓拧紧,无需垫圈,切勿将螺栓拧的过紧,以防造成阀圈的严重变形,启闭扭矩过大。

订货须知:
一、产品名称与型号口径是否带附件以便我们的为您正确选型使用压力使用介质的温度。
二、若已经由设计单位选定公司的放料阀型号,请型号直接向我司销售部订购。
三、当使用的场合非常重要或环境比较复杂时,请您尽量提供设计图纸和详细参数,由我们的阀门公司专家为您审核把关。如有疑问:请:我们一定会尽心尽力为您提供优质的服务。
扫一扫,手机浏览


