-
详细信息
D643H气动开关型硬密封法兰式蝶阀 产品概述
我厂引进能够国外先进技术的基础上,采用精密的J形弹性密封圈和三偏心多层次金属硬密封结构,被广泛用于介质温度≤425℃的治金、电力、石油化工、以及给排水和市政建设等工业管道上,作调节流量和载断流体使用。该阀采用三偏心结构,阀座与碟板密封面均采用不同硬度和不锈钢制作,具有良好的耐腐蚀性,使用寿命长,本阀军邮双向密封功能,产品符合国家GB/T13927-92阀门压力试验标准。气动硬密封蝶阀的主要优点,结构简单,体积小重量轻,造价低,气动碟阀该特点尤其显著,安装在高空暗道,经过二位五通电磁阀控制操作方便,也可调节流量介质。流体阻力较小,中大口径的气动碟阀全开时有效流通面积较大,启闭迅速省力,碟扳旋转90角度即可完成启闭,由于转轴两侧碟板手介质作用力接近相等,而产生的转矩方向相反,因而启闭力矩较小,低压下可实现良好的密封,碟阀密封材料有丁晴橡胶、氟橡胶,食用橡胶,衬四氟故密封性能良好,其中硬密封碟阀为软硬层叠式金属片具有金属硬密封和弹性密封的重优点,无论在低温情况下均具有优良的密封性能。

气动硬密封蝶阀结构工作原理适用环境分析气动硬密封蝶阀的蝶板安装于管道的直径方向。在蝶阀阀体圆柱形通道内,圆盘形蝶板绕着轴线旋转,旋转角度为0°~90°之间,旋转到90°时,阀门则牌全开状态。气动硬密封蝶阀结构简单、体积小、重量轻,只由少数几个零件组成。而且只需旋转90°即可快速启闭,操作简单,同时该电动阀门具有良好的流体控制特性。蝶阀处于完全开启位置时,蝶板厚度是介质流经阀体时唯一的阻力,因此通过该阀门所产生的压力降很小,故具有较好的流量控制特性。蝶阀有弹密封和金属的密封两种密封型式。弹性密封阀门,密封圈可以镶嵌在阀体上或附在蝶板周边。如果要求蝶阀作为流量控制使用,主要的是正确选择阀门的尺寸和类型。蝶阀的结构原理尤其适合制作大口径阀门。
1、本阀采用三偏心密封结构,阀座与蝶板几乎无磨损,具有越观越紧的密封功能。
2、密封圈选用不锈钢制作,具有金属硬密封和弹性密封的双重优点,无论在低温和高温的情况下,均具有优良的密封性能,具有耐腐蚀,使用寿命长等特点。
3、碟板密封面采用堆焊钴基硬质合金,密封面耐磨损,使用寿命长.
4、大规格蝶板采用绗架结构,强度高,过流面积大,流阻小。
5、本阀具有双向密封功能,安装时不受介质流向的限制,也不受空间位置的影响,可在任何方向安装。
6、驱动装置可以多工位(旋转90°或180°)安装,便于用户使用。

蝶阀不仅在石油、煤气、化工、水处理等一般工业上得到广泛应用,而且还应用于热电站的冷却水系统。结构简单,体积小重量轻,造价低,气动硬密封蝶阀该特点尤其显著,安装在高空暗道,经过二位五通电磁阀控制操作方便,也可调节流量介质。流体阻力较小,中大口径的气动碟阀全开时有效流通面积较大,启闭迅速省力,碟扳旋转90角度即可完成启闭,由于转轴两侧碟板手介质作用力接近相等,而产生的转矩方向相反,因而启闭力矩较小,低压下可实现良好的密封,碟阀密封材料有丁晴橡胶、氟橡胶,食用橡胶,衬四氟故密封性能良好,其中硬密封碟阀为软硬层叠式金属片具有金属硬密封和弹性密封的重优点,无论在低温情况下均具有优良的密封性能。
气动硬密封蝶阀的蝶板安装于管道的直径方向。在蝶阀阀体圆柱形通道内,圆盘形蝶板绕着轴线旋转,旋转角度为0°~90°之间,旋转到90°时,阀门则牌全开状态。气动硬密封蝶阀结构简单、体积小、重量轻,只由少数几个零件组成。而且只需旋转90°即可快速启闭,操作简单,同时该电动阀门具有良好的流体控制特性。蝶阀处于完全开启位置时,蝶板厚度是介质流经阀体时唯一的阻力,因此通过该阀门所产生的压力降很小,故具有较好的流量控制特性。蝶阀有弹密封和金属的密封两种密封型式。弹性密封阀门,密封圈可以镶嵌在阀体上或附在蝶板周边。采用金属密封的阀门一般比弹性密封的阀门寿命长,但很难做到完全密封。金属密封能适应较高的工作温度,弹性密封则具有受温度限制的缺陷。
■金属密封可适用于带稍许颗粒、浆液的介质中
■适用温度可达425℃,*高压力6.4MPa
■密封时几乎无摩擦,保证扭矩更小,密封性更好
■法兰对夹孔连接适用多种标

D643H气动开关型硬密封法兰式蝶阀 参数驱动 压缩空气5~7bar(可带手轮) 公称通经 50~1000mm 公称压力 1.6~6.4MPa 适用温度 -40~+420℃ 连接方式 法兰、对夹 阀结构 三偏心 阀体材质 304、316、碳钢 阀板材质 304、316、碳钢 密封材质 本体、合金 适用介质 气体、水及油类等(高温场合) 可选附件 限位开关、定位器、电磁阀、减压阀 ◇气动法兰蝶阀D643H 附件选项
回讯器:也叫限位开关(APL310),远程反馈开关信号(防爆APL410)
电磁阀:双作用选二位五通、单作用选二位三通(防爆) PLVD5/2
三联件:可对气源稳压、过滤、气缸加润滑油 YT-200
手轮机构:转动手轮机构,可实现手动开、关阀
电气定位器:输入4~20mA信号,实现阀门调节功能
备注: 气缸参数请另参考所选配的气动执行器资料

D643H气动开关型硬密封法兰式蝶阀 标准设计依据
Design referenceGB标准 设计标准
Design standrdGB12238 结构长度
Face To face对夹连接
Wafer connectingGB12221 对夹法兰尺寸
Wafer Flange SizeGB12221 试验和检验
Test&inspectionJB/T9002 零部件材料
序号
NO零件名称
Accessory name材质
MaterialC P R 1 内六角螺丝
Mild Sleel Hex Socket Screw1Cr18Ni9Ti 1Cr18Ni9Ti 1Cr18Ni12Mo2Ti 2 阀盖
CoverWCB 1Cr18Ni9Ti ZG1Cr18Ni12Mo2Ti 3 垫片
Gasket不锈钢+柔性石墨
Stainless Steel+Graphite4 阀座
Seat1Cr18Ni9Ti 1Cr18Ni9Ti 1Cr18Ni12Mo2Ti 5 垫片
Gasket不锈钢+柔性石墨
Stainless Steel+Graphite6 蝶板
Butterfly PlateWCB ZG1Cr18Ni9Ti ZG1Cr18Ni12Mo2Ti 7 圆柱削
Straight Pin45 1Cr18Ni9Ti 1Cr18Ni12Mo2Ti 8 下盖
Bottom CoverWCB ZG1Cr18Ni9Ti ZG1Cr18Ni12Mo2Ti 9 垫片
Gasket不锈钢+柔性石墨
Stainless Steel+Graphite10 衬套
BushingPTFE+不锈钢
PTFE+Stainless Steel11 阀体
BodyWCB ZG1Cr18Ni9Ti ZG1Cr18Ni12Mo2Ti 12 阀杆
Stem1Cr13 1Cr18Ni9Ti 1Cr18Ni12Mo2Ti 13 支架
YokeWCB 14 键
Key45 15 衬套
BushingPTFE+不锈钢
PTFE+Stainless Steel16 填料
Packing柔性石墨
Graphite17 压盖
GlandWCB ZG1Cr18Ni9Ti ZG1Cr18Ni12Mo2Ti 18 位置指示器
Location lndicator塑料
Plactic◇气动法兰式硬密封蝶阀 D643-PN16、25、40,CLASS150、300
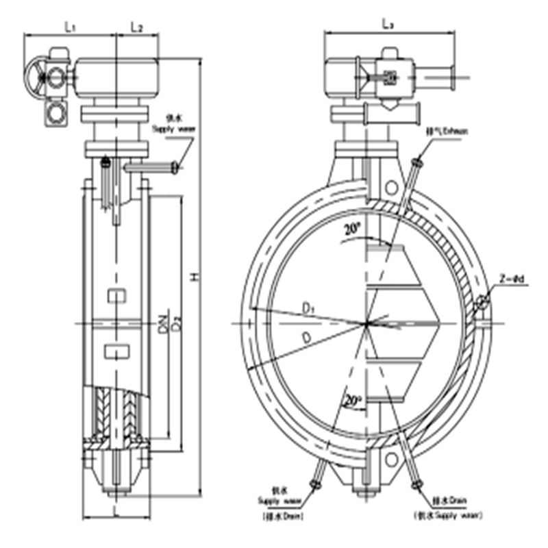
D643H气动开关型硬密封法兰式蝶阀尺寸数据 主要外形及连接尺寸 D643-16<1.6Mpa>DN 外形尺寸
Outline Size连接尺寸
Connec ting SizeL L1 L2 H H1 D D1 D2 f n-φd 50 108 164/214 75/91 277/205 65 165 125 99 3 4-φ18 65 112 164/214 75/91 287/315 75 185 145 118 3 4-φ18 80 114 190/246 91/101 365/375 85 200 160 132 3 8-φ18 100 127 210/295 101/112 420/436 130 220 180 156 3 8-φ18 125 140 247/398 112/139 436/462 175 250 210 184 3 8-φ18 150 140 308/478 139/176 466/543 190 285 240 211 3 8-φ22 200 152 378/724 176/228 593/665 215 340 295 266 3 12-φ22 250 165 432/928 206/275 682/752 265 405 355 319 3 12-φ26 300 178 524/928 228/275 725/772 305 460 410 370 4 12-φ26 350 190 648/1033 275/324 832/880 340 520 480 429 4 16-φ26 400 216 648/1129 275/380 862/968 360 580 525 480 4 16-φ30 450 222 715/1845 324/527 945/1005 400 640 585 548 4 20-φ30 500 229 795/1845 380/527 1058/1060 430 715 650 609 4 20-φ33 600 267 795/2605 380/545 1108/1195 490 840 770 720 5 20-φ36 700 292 1380/2605 1170/1255 1170/1255 555 910 840 794 5 24-φ36 800 318 1860/2605 1325/1365 1325/1365 620 1025 950 901 5 24-φ39 ◇气动硬密封法兰蝶阀 尺寸数据 主要外形及连接尺寸 D643-25<2.5Mpa>
DN 外形尺寸
Outline Size连接尺寸
Connecting SizeL L1 L2 H H1 D D1 D2 f n-φd 50 108 164/214 75/91 277/305 65 165 125 99 3 4-φ18 65 112 164/214 75/91 287/325 75 185 145 118 3 8-φ18 80 114 190/295 91/112 365/391 85 200 160 132 3 8-φ18 100 127 210/340 101/127 420/457 130 235 190 156 3 8-φ22 125 140 247/395 112/139 436/462 175 270 220 184 3 8-φ26 150 140 308/438 139/176 466/543 190 300 250 211 3 8-φ26 200 152 378/724 176/228 593/665 215 360 310 274 3 12-φ26 250 165 432/928 206/275 682/752 265 425 370 330 
结构比较短小,占用空间小,安装的时候先用对夹式蝶阀专用法兰将其固定,然后将固定好的对夹式法兰放入管道两端法兰中间,用螺栓穿过对夹式蝶阀专用法兰和管道法兰将其固定。D643H气动开关型硬密封法兰式蝶阀具体安装步骤流程如下:
1、将对夹式蝶阀放置于预安装的两片对夹蝶阀专用法兰之间,注意将法兰螺栓孔与蝶阀阀体圆孔对齐。
2、将螺栓和螺母插入法兰孔将阀体与法兰连接,校正一下法里面的平整度,但注意不要把螺栓螺母拧的过紧。
3、将法兰焊接在管道上,这一步要采用点焊的方式。
4、先把对夹式蝶阀取下移出。
5、再将两片法兰完全焊在管道上,完成固定。
6、等法兰与管道的焊接处冷却之后,再讲对夹式蝶阀安装进去。此时注意要将蝶板打开一些。
7、再一次对蝶阀的安装位置做一个校正,拧紧螺栓,但要注意不要拧的过紧。
8、将蝶阀蝶板完全打开,保证蝶阀的蝶板可以自由启闭,能自由开闭。
9、再一次将螺栓交叉,均衡的拧紧;
10、以上步骤完成,再一次对蝶阀的启闭做一个测试,确保阀门可以自由的开关。

法兰式蝶阀安装方法
法兰蝶阀自带法兰,安装时候无需再专门配备法兰片,直接将阀体上的法兰与管道法兰用螺栓连接起来即可。但法兰蝶阀安装时要注意几点:
1.在安装时,蝶阀阀体法兰与管道上法兰之间的端面要平行,不能出现歪斜的情况,否则可能会因为螺栓拧不紧造成法兰连接处泄漏。
2.法兰蝶阀在管道上安装时候要在管道两端法兰与阀体法兰之间加入垫片,但不能用双垫片。
3.紧螺栓时要对称进行,两端法兰连接各个螺栓拧紧力要均匀且一致。
4.在安装时,要先安装蝶阀上定位孔的螺栓,将蝶阀位置对中固定,另外,在紧固法兰螺栓时,要对称交替拧紧,不要依次单独紧固螺栓。
相比对夹蝶阀,法兰蝶阀的密封性能更好,更适合做大口径阀门。但是使用成本和价格也会更高。法兰蝶阀的结构更长,占用的管道安装空间更大。
法兰蝶阀安装方法:
1、法兰蝶阀安装前检查气动蝶阀各部分部件无缺失,型号无误,检查阀体内无杂物,电磁阀和消音器内无阻塞。
2、将阀门和汽缸均置于关闭状态。
3、将汽缸撞到阀门上,(安装方向与阀体平行或垂直都可以),再看螺丝孔是否对正,不会有太大偏差,如有少许偏差,将气缸体转动一点就可以了,然后将螺丝紧固。
4、安装完毕后,对气动蝶阀进行调试(正常情况下供气压力为0.4~0.6MPa),调试运行时须手动操作电磁阀启闭(将电磁阀线圈失电后手动操作方可有效),观察气动蝶阀的启闭情况。如果在调试运行过程中发现阀门在启闭过程初始时有些吃力,之后正常,则需要将气缸行程调小(把气缸两端行程调节螺丝同时往里调一点,调整时需将阀门运行到开位置,然后将气源关掉再调),直至阀门启闭动作顺滑且关闭无泄漏。还需要注意的是,可调型消音器可以调节阀门的启闭速度,但不可调得过小,否则可能引起阀门不动作。
5、得发在安装前应保持干燥,不可露天存放。
6、安装蝶阀前要检查管道,确保管道内无焊渣等异物。
7、蝶阀阀体手动启闭阻力适中,蝶阀扭矩与所选执行器扭矩匹配。
8、蝶阀连接用法兰规格正确,管道对夹法兰与蝶阀法兰标准相符。建议使用蝶阀专用法兰,不得使用平焊法兰。
9、确认法兰焊接无误,蝶阀安装完毕后不得再焊接法兰,以免烫伤橡胶件。
10、装好的管道法兰要进行对中,并与放入的蝶阀进行对中。
11、装上所有的法兰螺栓,并用手拧紧,将确认蝶阀与法兰已然对中,然后小心的启闭蝶阀,确保启闭灵活。
12、将阀门完全开启,用扳手按照对角线次序将螺栓拧紧,无需垫圈,切勿将螺栓拧的过紧,以防造成阀圈的严重变形,启闭扭矩过大。

订货须知:
一、产品名称与型号口径是否带附件以便我们的为您正确选型使用压力使用介质的温度。
二、若已经由设计单位选定公司的放料阀型号,请型号直接向我司销售部订购。
三、当使用的场合非常重要或环境比较复杂时,请您尽量提供设计图纸和详细参数,由我们的阀门公司专家为您审核把关。如有疑问:请:我们一定会尽心尽力为您提供优质的服务。
扫一扫,手机浏览

