-
详细信息
D341W蜗轮传动轻型通风蝶阀产品介绍:
通风蝶阀采用钢板焊接制造,具有结构尺寸短,重量轻,安装方便等特点。该阀驱动力矩小,启闭灵活,操作方便。阀体上设置油密封挡圈,密封副之间无可见间隙,泄漏率小。蝶板与阀体间的膨胀间隙大,能有效防止因热涨冷缩造成的卡死现象。本阀可配备多种驱动装置,如手动装置、蜗轮传动装置、气动装置、电动装置。通风蝶阀广泛用于治金、师化、电力、建材、矿山等工业管线,对介质气体气控制或调节作用。通风蝶阀采用与阀体相同材料加工成密封圈,其适用温度随阀体选材而定,公称压力≤1.0MPa,一般适用于工业、冶金、环保等管道作通风调节介质流量之用。 通风蝶阀应用范围:通风蝶阀适用温度随阀体选材而定,公称压力≤1.0MPa,一般适用于工业、冶金、环保、化工、建材、电站、玻璃等行业中的通风、环保工程的含尘冷风或热风气体管道中,作为气体介质调节流量或切断的管道控制装置。通风蝶阀在管道中一般应当水平安装。

通风蝶阀结构特点:
1、通风蝶阀设计新颖、合理,结构独特,重量轻,启闭迅速。
2、蝶阀操力矩小,操作方便,省力灵巧。
3、采用适应的材料以满足低、中、高不同介质温度其及腐蚀性介质等。
4、内无连杆、螺栓等、工作可靠、使用寿命长,不受介质流向影响
通风蝶阀标准规范:
设计制造标准:GB/T 12238-1989;JB/T8692-1998
结构长度标准:GB/T 12221-2005
连接法兰标准:GB/T 9115.1
压力温度等级:GB/T 12224-2005
试验检验标准:GB/T 13927-2008

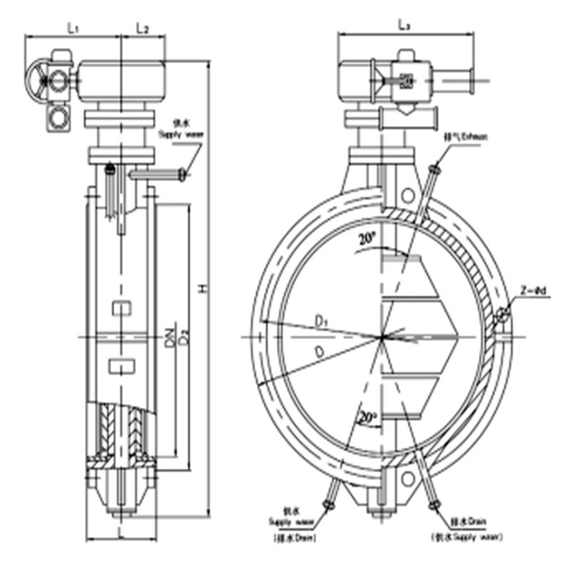
D341W蜗轮传动轻型通风蝶阀主要技术参数公称通径 DN(mm) 50~2000 公称压力 PN(MPa) 0.05 0.25 0.6 试验压力 Ps(MPa) 强度试验 0.075 0.375 0.9 密封试验 ≤1.5%泄漏量 适用介质 煤气、含尘气体、烟道气等 驱动形式 手动、蜗杆蜗轮传动、气传动、电传动 通风蝶阀零件材料与工况:
零件名称 材料 阀体 铸钢、不锈钢、铬镍钼钛钢、铬钼钛钢等特殊材料 蝶板 铸钢、不锈钢、铬镍钼钛钢、铬钼钛钢等特殊材料 密封圈 与阀体相同 阀杆 碳钢、 2Crl3、不锈钢、铬镍钼钛钢 填料 柔性石墨
D341W蜗轮传动轻型通风蝶阀密封材料选用和适用温度
材料品种 碳素钢 低温碳钢 合金钢 奥氏体不锈钢 铬钼钢 代号 WCB LCB WC6或WC9 C5或C12 铬 Cr-18型、304、31 6 12CrMoV 耐*高温度 425℃ 345℃ 595℃ 650℃ 600℃ 560℃ 耐*低温度 -29℃ -46℃ -29℃ -29℃ -196℃ -40℃ 适用工作温度 ≤ 25℃ ≤345℃ ≤595℃ ≤ 650℃ ≤600℃ ≤560℃ 公称通径 结构长度
(标准值)外形尺寸
(参考值)连接尺寸 (标准值) 参考重量
(kg)0.05MPa、0.25MPa O.6MPa mm inch L H H1 D D1 D2 Z-d D D1 D2 Z-d 100 4 120 105 219 210 170 144 4-18 210 170 144 4-18 20 125 5 120 120 234 240 200 174 8-18 240 200 174 8-18 25 150 6 120 132 247 265 225 199 8-18 265 225 199 8-18 29 200 8 140 160 403 320 280 254 8-18 320 280 254 8-18 47 250 10 140 187 433 375 335 309 12-18 375 335 309 12-18 67 300 12 170 220 465 440 395 363 12-22 440 395 363 12-22 78 350 14 170 245 539 490 445 413 12-22 490 445 413 12-22 96 400 16 190 270 543 540 495 463 16-22 540 495 463 16-22 130 450 18 190 297 571 595 550 518 16-22 595 550 518 16-22 142 500 20 190 322 644 645 600 568 20-22 645 600 568 20-22 191 600 24 210 377 701 755 705 667 20-26 755 705 667 20-26 230 700 28 210 430 753 860 810 772 24-26 860 810 772 24-26 250 800 32 210 487 807 975 920 878 24-30 975 920 878 24-30 320 900 36 250 537 973 1075 1020 978 24-30 1075 1020 978 24-30 410 1000 40 250 587 1023 1175 1120 1078 28-30 1175 1120 1078 28-30 510 1200 48 250 687 1153 1375 1320 1280 32-30 1405 1340 1295 32-33 720 1400 56 300 760 1810 1575 1520 1480 36-30 1630 1560 1510 36-36 1270 1600 64 300 895 1815 1790 1730 1690 40-30 1830 1760 1710 40-36 1730 1800 72 300 995 1920 1990 1930 1890 44-30 2045 1970 1918 44-39 2750 2000 80 300 1095 2025 2190 2130 2090 48-30 2265 2180 2125 48-42 3050 结构比较短小,占用空间小,安装的时候先用对夹式蝶阀专用法兰将其固定,然后将固定好的对夹式法兰放入管道两端法兰中间,用螺栓穿过对夹式蝶阀专用法兰和管道法兰将其固定。
具体安装步骤流程如下:
1、将对夹式蝶阀放置于预安装的两片对夹蝶阀专用法兰之间,注意将法兰螺栓孔与蝶阀阀体圆孔对齐。
2、将螺栓和螺母插入法兰孔将阀体与法兰连接,校正一下法里面的平整度,但注意不要把螺栓螺母拧的过紧。
3、将法兰焊接在管道上,这一步要采用点焊的方式。
4、先把对夹式蝶阀取下移出。
5、再将两片法兰完全焊在管道上,完成固定。
6、等法兰与管道的焊接处冷却之后,再讲对夹式蝶阀安装进去。此时注意要将蝶板打开一些。
7、再一次对蝶阀的安装位置做一个校正,拧紧螺栓,但要注意不要拧的过紧。
8、将蝶阀蝶板完全打开,保证蝶阀的蝶板可以自由启闭,能自由开闭。
9、再一次将螺栓交叉,均衡的拧紧;
10、以上步骤完成,再一次对蝶阀的启闭做一个测试,确保阀门可以自由的开关。
法兰式蝶阀安装方法
法兰蝶阀自带法兰,安装时候无需再专门配备法兰片,直接将阀体上的法兰与管道法兰用螺栓连接起来即可。但法兰蝶阀安装时要注意几点:
1.在安装时,蝶阀阀体法兰与管道上法兰之间的端面要平行,不能出现歪斜的情况,否则可能会因为螺栓拧不紧造成法兰连接处泄漏。
2.法兰蝶阀在管道上安装时候要在管道两端法兰与阀体法兰之间加入垫片,但不能用双垫片。
3.紧螺栓时要对称进行,两端法兰连接各个螺栓拧紧力要均匀且一致。
4.在安装时,要先安装蝶阀上定位孔的螺栓,将蝶阀位置对中固定,另外,在紧固法兰螺栓时,要对称交替拧紧,不要依次单独紧固螺栓。
相比对夹蝶阀,法兰蝶阀的密封性能更好,更适合做大口径阀门。但是使用成本和价格也会更高。法兰蝶阀的结构更长,占用的管道安装空间更大。
D341W蜗轮传动轻型通风蝶阀安装方法:
1、法兰蝶阀安装前检查气动蝶阀各部分部件无缺失,型号无误,检查阀体内无杂物,电磁阀和消音器内无阻塞。
2、将阀门和汽缸均置于关闭状态。
3、将汽缸撞到阀门上,(安装方向与阀体平行或垂直都可以),再看螺丝孔是否对正,不会有太大偏差,如有少许偏差,将气缸体转动一点就可以了,然后将螺丝紧固。
4、安装完毕后,对气动蝶阀进行调试(正常情况下供气压力为0.4~0.6MPa),调试运行时须手动操作电磁阀启闭(将电磁阀线圈失电后手动操作方可有效),观察气动蝶阀的启闭情况。如果在调试运行过程中发现阀门在启闭过程初始时有些吃力,之后正常,则需要将气缸行程调小(把气缸两端行程调节螺丝同时往里调一点,调整时需将阀门运行到开位置,然后将气源关掉再调),直至阀门启闭动作顺滑且关闭无泄漏。还需要注意的是,可调型消音器可以调节阀门的启闭速度,但不可调得过小,否则可能引起阀门不动作。
5、得发在安装前应保持干燥,不可露天存放。
6、安装蝶阀前要检查管道,确保管道内无焊渣等异物。
7、蝶阀阀体手动启闭阻力适中,蝶阀扭矩与所选执行器扭矩匹配。
8、蝶阀连接用法兰规格正确,管道对夹法兰与蝶阀法兰标准相符。建议使用蝶阀专用法兰,不得使用平焊法兰。
9、确认法兰焊接无误,蝶阀安装完毕后不得再焊接法兰,以免烫伤橡胶件。
10、装好的管道法兰要进行对中,并与放入的蝶阀进行对中。
11、装上所有的法兰螺栓,并用手拧紧,将确认蝶阀与法兰已然对中,然后小心的启闭蝶阀,确保启闭灵活。
12、将阀门完全开启,用扳手按照对角线次序将螺栓拧紧,无需垫圈,切勿将螺栓拧的过紧,以防造成阀圈的严重变形,启闭扭矩过大。

订货须知:
一、产品名称与型号口径是否带附件以便我们的为您正确选型使用压力使用介质的温度。
二、若已经由设计单位选定公司的放料阀型号,请型号直接向我司销售部订购。
三、当使用的场合非常重要或环境比较复杂时,请您尽量提供设计图纸和详细参数,由我们的阀门公司专家为您审核把关。如有疑问:请:我们一定会尽心尽力为您提供优质的服务。
扫一扫,手机浏览


