-
详细信息
一、D941W电动轻型通风蝶阀 产品概述
我厂生产的通风蝶阀采用钢板焊接制造,具有结构尺寸短,重量轻,安装方便等特点。该阀驱动力矩小,启闭灵活,操作方便。阀体上设置油密封挡圈,密封副之间无可见间隙,泄漏率小。蝶板与阀体间的膨胀间隙大,能有效防止因热涨冷缩造成的卡死现象。本阀可配备多种驱动装置,如手动装置、蜗轮传动装置、气动装置、电动装置。通风蝶阀广泛用于治金、师化、电力、建材、矿山等工业管线,对介质气体气控制或调节作用。电动通风蝶阀采用与阀体相同材料加工成密封圈,采用电或气动传动。其适用温度随阀体选材而定,公称压力≤0.6MPa,一般适用于工业、冶金、环保等管道作通风调节介质流量之用。

其主要特点为:
1、设计新颖、合理、结构独特,重量轻,启闭迅速。
2、操力矩小,操作方便,省力灵巧。
3、采用适应的材料以满足低、中、高不同介质温度其及腐蚀性介质等。
D941W电动通风蝶阀采用标准
设计标准:GB/T12238-1989 JB/T8692-1998
法兰连接尺寸:GB/T9115.1-2000
结构长度 h:GB/T12221-1989
压力试验:GB/T13927-1992;JB/T9092-1999

D941W电动轻型通风蝶阀主要技术参数公称通径 DN(mm) 50~2000 公称压力 PN(MPa) 0.05 0.25 0.6 试验压力 强度试验 0.075 0.375 0.9 密封试验 ≤1.5%泄漏量 适用介质 煤气、含尘气体、烟道气等。 适用温度 气传动、电传动。 D941W电动通风蝶阀主要零件的材质
零件名称 材料 阀体 铸钢、不锈钢、铬镍钼钛钢、铬钼钛钢等特殊材料 蝶板 铸钢、不锈钢、铬镍钼钛钢、铬钼钛钢等特殊材料 密封圈 与阀体相同 阀杆 碳钢、2Cr13、不锈钢、铬镍钼钛钢 填料 氟塑料、柔性石墨 二、D941W电动轻型通风蝶阀主要参数
公称压力(MPa) 0.05MPa 介质温度 -30℃~-350℃ 强度试验 0.1MPa 适用介质 冷热风、烟气 介质流速 25m/s 泄漏率 3% 三、主要零件材料
零件名称 阀体 阀板 阀轴 材料 碳钢 碳钢 碳钢、不锈钢
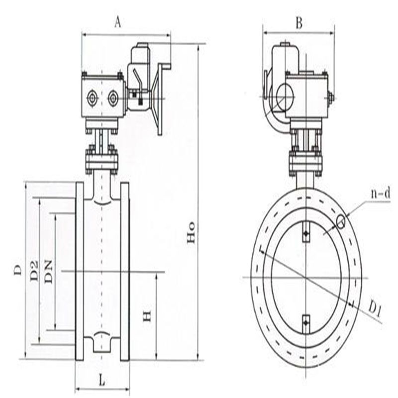
ZAJW、ZKJW电动调节通风蝶阀由DKJ角行程电动执行机构和蝶阀组成,它与电动单元组合仪表配合使用。具有结构简单、口径大、重量轻、操作方便等优点。广泛应用于冶金、电站石油、化工等部门。适用介质,煤气、含尘气体、烟道气。ZDLW-6B、ZDRW-6K型电子式电动调节蝶阀,是3610R(L)全电子式电动执行机构和蝶阀调节机构组成,执行机构内有伺服系弘,无须另配伺服放大器。具有结构简单,流通能力大,调节精度高等特点。执行机构可根据用户要求配置UNIC、PSQ、HQ、CH等型号电子式电执行机构广泛应用于化工、石油、冶金、电站等工业生产过程中。适用介质,煤气、含尘气体、烟道气等电动通风蝶阀采用与阀体相同材料加工成密封圈,其适用温度和耐腐蚀性岁阀体选材而定,公称压力<0.6Mpa,其泄漏量控制在*大流通量的2%以内,应用于工业、冶金、环保等管道作通风调节介质流量之用。具有结构简单、重量轻、操作力矩小、启闭迅速、动作灵活、流通能力大、调节精度高等特点。适用与烟气、粉尘、空气或含有悬浮颗粒的流体及浓浊、浆状流体的调节与控制。D941W电动通风蝶阀工作原理:电动通风蝶阀由角型程电子式电动执行器和通风蝶阀机构组成。机电一体化的结构设计,具有机内伺服操作和开度信号位置反馈、位置指示、手动操作等功能,功能强、性能可靠、控制精确,以AC220V或AC380V电源电压作动力,接受控制系统输入的(4-20mA或1-5VDC)电流信号或电压信号,即可控制运转,实现对工艺流体介质的比例调节控制或开关控制。DN D D1 L L1 L2 n-Фd b 300 405 370 120 716 220 8-12 10 350 455 420 140 786 240 8-14 10 400 505 470 140 924 270 12-18 10 450 570 530 160 999 295 12-18 10 500 620 580 160 1079 325 12-18 10 600 720 680 180 1140 380 16-18 12 700 820 780 180 1240 430 16-18 12 800 920 880 200 1344 490 16-18 12 900 1040 990 200 1444 540 16-18 14 1000 1140 1090 220 1544 590 20-18 14 1100 1240 1190 220 1644 640 20-18 14 1200 1340 1290 240 1744 690 20-18 14 1300 1440 1390 240 1864 760 20-18 16 1400 1540 1490 260 2020 810 24-18 16 1500 1640 1590 260 2120 860 24-18 16 1600 1740 1690 280 2240 980 24-18 16 1700 1840 1790 280 2340 1030 28-22 16 1800 1940 1890 300 2440 1096 28-22 16 1900 2040 1990 300 2540 1146 32-22 16 2000 2150 2090 320 2640 1196 32-26 16 2200 2360 2300 340 3252 1296 36-26 16 2400 2560 2500 360 3452 1396 36-26 18 2600 2760 2700 380 3652 1496 40-26 18 2800 2960 2900 400 3852 1596 40-26 18 3000 3190 3110 400 3896 1698 44-30 18 3200 3390 3310 440 4110 1798 44-30 20 3400 3590 3510 440 4396 1898 48-30 20 3600 3790 3710 480 4636 1998 48-30 20 3800 4000 3910 480 4886 2098 52-30 22 4000 4210 4120 520 5160 2210 52-30 22
D941W电动调节通风蝶阀产品特点:
★该阀驱动力矩小,启闭灵活,操作方便。
☆能有效防止因热涨冷缩造成的卡死现象。
◆具有结构尺寸短,重量轻,安装方便等特点。
◇采用钢板焊接制造,具有结构尺寸短,重量轻,安装方便等。
■阀体上设置油密封挡圈,密封副之间无可见间隙,泄漏率小。结构比较短小,占用空间小,安装的时候先用对夹式蝶阀专用法兰将其固定,然后将固定好的对夹式法兰放入管道两端法兰中间,用螺栓穿过对夹式蝶阀专用法兰和管道法兰将其固定。
具体安装步骤流程如下:
1、将对夹式蝶阀放置于预安装的两片对夹蝶阀专用法兰之间,注意将法兰螺栓孔与蝶阀阀体圆孔对齐。
2、将螺栓和螺母插入法兰孔将阀体与法兰连接,校正一下法里面的平整度,但注意不要把螺栓螺母拧的过紧。
3、将法兰焊接在管道上,这一步要采用点焊的方式。
4、先把对夹式蝶阀取下移出。
5、再将两片法兰完全焊在管道上,完成固定。
6、等法兰与管道的焊接处冷却之后,再讲对夹式蝶阀安装进去。此时注意要将蝶板打开一些。
7、再一次对蝶阀的安装位置做一个校正,拧紧螺栓,但要注意不要拧的过紧。
8、将蝶阀蝶板完全打开,保证蝶阀的蝶板可以自由启闭,能自由开闭。
9、再一次将螺栓交叉,均衡的拧紧;
10、以上步骤完成,再一次对蝶阀的启闭做一个测试,确保阀门可以自由的开关。
法兰式蝶阀安装方法
法兰蝶阀自带法兰,安装时候无需再专门配备法兰片,直接将阀体上的法兰与管道法兰用螺栓连接起来即可。但法兰蝶阀安装时要注意几点:
1.在安装时,蝶阀阀体法兰与管道上法兰之间的端面要平行,不能出现歪斜的情况,否则可能会因为螺栓拧不紧造成法兰连接处泄漏。
2.法兰蝶阀在管道上安装时候要在管道两端法兰与阀体法兰之间加入垫片,但不能用双垫片。
3.紧螺栓时要对称进行,两端法兰连接各个螺栓拧紧力要均匀且一致。
4.在安装时,要先安装蝶阀上定位孔的螺栓,将蝶阀位置对中固定,另外,在紧固法兰螺栓时,要对称交替拧紧,不要依次单独紧固螺栓。
相比对夹蝶阀,法兰蝶阀的密封性能更好,更适合做大口径阀门。但是使用成本和价格也会更高。法兰蝶阀的结构更长,占用的管道安装空间更大。

法兰蝶阀安装方法:
1、法兰蝶阀安装前检查气动蝶阀各部分部件无缺失,型号无误,检查阀体内无杂物,电磁阀和消音器内无阻塞。
2、将阀门和汽缸均置于关闭状态。
3、将汽缸撞到阀门上,(安装方向与阀体平行或垂直都可以),再看螺丝孔是否对正,不会有太大偏差,如有少许偏差,将气缸体转动一点就可以了,然后将螺丝紧固。
4、安装完毕后,对气动蝶阀进行调试(正常情况下供气压力为0.4~0.6MPa),调试运行时须手动操作电磁阀启闭(将电磁阀线圈失电后手动操作方可有效),观察气动蝶阀的启闭情况。如果在调试运行过程中发现阀门在启闭过程初始时有些吃力,之后正常,则需要将气缸行程调小(把气缸两端行程调节螺丝同时往里调一点,调整时需将阀门运行到开位置,然后将气源关掉再调),直至阀门启闭动作顺滑且关闭无泄漏。还需要注意的是,可调型消音器可以调节阀门的启闭速度,但不可调得过小,否则可能引起阀门不动作。
5、得发在安装前应保持干燥,不可露天存放。
6、安装蝶阀前要检查管道,确保管道内无焊渣等异物。
7、蝶阀阀体手动启闭阻力适中,蝶阀扭矩与所选执行器扭矩匹配。
8、蝶阀连接用法兰规格正确,管道对夹法兰与蝶阀法兰标准相符。建议使用蝶阀专用法兰,不得使用平焊法兰。
9、确认法兰焊接无误,蝶阀安装完毕后不得再焊接法兰,以免烫伤橡胶件。
10、装好的管道法兰要进行对中,并与放入的蝶阀进行对中。
11、装上所有的法兰螺栓,并用手拧紧,将确认蝶阀与法兰已然对中,然后小心的启闭蝶阀,确保启闭灵活。
12、将阀门完全开启,用扳手按照对角线次序将螺栓拧紧,无需垫圈,切勿将螺栓拧的过紧,以防造成阀圈的严重变形,启闭扭矩过大。

订货须知:
一、产品名称与型号口径是否带附件以便我们的为您正确选型使用压力使用介质的温度。
二、若已经由设计单位选定公司的放料阀型号,请型号直接向我司销售部订购。
三、当使用的场合非常重要或环境比较复杂时,请您尽量提供设计图纸和详细参数,由我们的阀门公司专家为您审核把关。如有疑问:请:我们一定会尽心尽力为您提供优质的服务。
扫一扫,手机浏览



