-
详细信息
D341W焦炉煤气大口径法兰式蝶阀 产品说明
煤气专用蝶阀是一种常用于冶金、化工等领域中通风管路中,主要负责含有含尘的冷、热风流通的流量调节和切断,这样看起来煤气蝶阀似乎没有什么过人之处,但是与普通的阀门相比,蝶阀的结构更适合这种工作环境。煤气专用蝶阀使用中线式碟版和钢板焊接制成,结构紧密、重量轻。区别于普通门类阀门的特点在于它的内部没有连杆、螺栓等结构,所以对通道输送气体所带来的腐蚀和破坏具有更强的抵抗作用。
加大的温度变化对阀门的影响是很大的,比如一些密封材料受冷热变化影响相对较大的阀门会因为温差过大而导致内部结构损坏,从而影响阀门的正常使用。但是煤气蝶阀可以适应300℃以下的环境中正常工作,因为其控制结构在阀门外部,所以对环境适应能力更强。通常煤气蝶阀都会采用气动控制或者电动控制,引起力矩小、操作简便、可靠性高所以在冶金、环保等领域广泛使用。另外,这种阀门还可以在手动控制和自动控制之间自如切换,能够实现更灵活的使用。这种蝶阀的使用,在一定程度上可以取代球阀和闸阀,因为不需要安装多层密封圈,而是直接安装在阀体上,在阀座和压板中间部分设置调节环,所以能够实现更理想的双向硬质密封。D341W焦炉煤气大口径法兰式蝶阀煤气专用蝶阀的选择原则:
1.在系统中起接通和切断作用,并允许切断时介质有少量泄露(一般不大于5%)的风门可选用关闭挡板风门、 74DD圆风门、方风门、钢制关断圆风门等。
2.在系统中起调节介质流量作用,且一般不起隔断作用的风门,宜选用调节挡板风门、钢制调节圆风门。对于要求即有调节性能又需切断介质流动功能的风门,宜选用无泄露调节挡板风门,74DD圆风门、方风门。用于离心式风机入口的风门,只宜选用平行开关式的调节挡板风门、方风门。用于即起调节作用又需自动关断逆向 气流场合的风门,宜选用逆止式调节风门。
3.在系统中作切断用,且不允许介质泄露(理论上泄露量为零),宜选用隔绝类风门,其种类有标准插板式隔绝门、大型闸板门、翻板门、双层百叶窗式风门。
4.用于煤粉制备系统中起隔绝作用风门,可选用煤粉闸门装置。
5.用于灰煤粉等粒状物料的隔截门,可选用隔截闸门装置。
6.用于粉尘管路易受磨损、冲刷的叶片式风门,表面要求耐磨、耐蚀,可选用耐磨陶瓷风门或表面喷涂高温防 腐耐磨合金涂层的风门(风门的使用寿命较16M钢材延长使用寿命4~5倍)。

本文导读:
1、 煤气的分类及特点。2、 煤气输送中的问题。
3、 煤气专用蝶阀的特点及用途。4、 煤气专用蝶阀的使用效果比较。
一、煤气根据其制造设备及制造原理的不同,一般可分为高炉煤气、焦炉煤气、煤气发生炉煤气。尽管它们的产生方式不同,但却有着共同的特点。其特点是:
1、压力不高。一般为10-20kpa。通过煤气站加压后一般在
100kpa以下。 2、 温度偏高。一般在150-300℃。
3、 杂质较多。高炉煤气含灰尘较多,焦炉煤气含焦油较多,
煤气发生炉产生的煤气含灰尘和煤焦油较多。
二、因为煤气有以上的特点,所以应用在煤气输送管道上的阀门就容易出现很多问题。比较常见的有以下几种。
1、 阀门关不死,开不开。 2、 阀门开关不灵活。 3、 阀门密封不严。
其主要原因是
煤气中的杂质附着、粘结在阀门密封面及阀轴轴套间造成的。市面上现有的普通硬密封蝶阀以及闸阀,都不能很好的解决以上的问题。 针对以上问题,我公司技术部门经过不断的改造、调研和创新,同时借鉴国外煤气阀门技术,请教国内阀门行业的专家,成功研制出解决以上煤气阀门问题的煤气蝶阀。其特点见下表 比较项目 煤气专用蝶阀
普通硬密封蝶阀 结构设计增加阀轴防抱死装置及防尘密封装置
轴套容易进杂质,抱死 科技含量高 密封性能 密封面窄 密封面宽,容易积灰 密封性能稳定 密封形式 球面、线密封 面密封,易有缺陷 密封效果好操作力矩 力矩小,轻松灵活 力矩大,操作重 操作方便 此外,由于该阀门密封严密,开关可靠,使介质的泄漏几率大大减小,增加了设备的安全系数。 我公司在该煤气专用蝶阀上开发的新技术有:防抱死装置、刮除设计、线密封设计。以上技术我公司均已申请专利。并已被山东烟台鲁宝钢管有限公司选用。运行几年来,阀门的实用效果深得用户好评。 综上,我公司开发的煤气专用蝶阀很好的解决了煤气输送中的问题,延长了阀门使用寿命,为客户带来可观的成本降低率。

煤气专用蝶阀特点
1、启闭方便迅速、省力、流体阻力小,可以经常操作。
2、结构简单,体积小,重量轻。
3、可以运送泥浆,在管道口积存液体*少。
4、低压下,可以实现良好的密封。
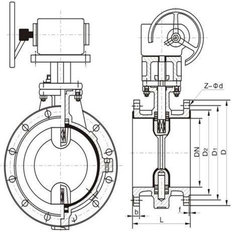
D341W焦炉煤气大口径法兰式蝶阀煤气专用蝶阀主要零部件材料
零件名称
阀体
阀板
阀轴
材料
碳钢
碳钢
碳钢、不锈钢
D341W焦炉煤气大口径法兰式蝶阀外形连接尺寸
DN
D
D1
L
L1
L2
n-Фd
b
300
405
370
120
716
220
8-12
10
350
455
420
140
786
240
8-14
10
400
505
470
140
924
270
12-18
10
450
570
530
160
999
295
12-18
10
500
620
580
160
1079
325
12-18
10
600
720
680
180
1140
380
16-18
12
700
820
780
180
1240
430
16-18
12
800
920
880
200
1350
490
16-18
12
900
1040
990
200
1450
540
16-18
14
1000
1140
1090
220
1550
590
20-18
14
1100
1240
1190
220
1800
640
20-18
14
1200
1340
1290
240
1900
690
20-18
14
1300
1440
1390
240
2020
760
20-18
16
1400
1540
1490
260
2120
810
24-18
16
1500
1640
1590
260
2220
860
24-18
16
1600
1740
1690
280
2390
980
24-18
16
1700
1840
1790
280
2590
1030
28-22
16
1800
1940
1890
300
2709
1096
28-22
16
1900
2040
1990
300
2826
1146
32-22
16
2000
2150
2090
320
2926
1196
32-26
16
2200
2360
2300
340
3126
1296
36-26
16
2400
2560
2500
360
3326
1396
36-26
18
2600
2760
2700
380
3526
1496
40-26
18
2800
2960
2900
400
3726
1596
40-26
18
3000
3190
3110
400
4098
1698
44-30
18
3200
3390
3310
440
4338
1798
44-30
20
3400
3590
3510
440
4578
1898
48-30
20
3600
3790
3710
480
4780
1998
48-30
20
3800
4000
3910
480
5000
2098
52-30
22
4000
4210
4120
520
5200
2210
52-30
22
结构比较短小,占用空间小,安装的时候先用对夹式蝶阀专用法兰将其固定,然后将固定好的对夹式法兰放入管道两端法兰中间,用螺栓穿过对夹式蝶阀专用法兰和管道法兰将其固定。
具体安装步骤流程如下:
1、将对夹式蝶阀放置于预安装的两片对夹蝶阀专用法兰之间,注意将法兰螺栓孔与蝶阀阀体圆孔对齐。
2、将螺栓和螺母插入法兰孔将阀体与法兰连接,校正一下法里面的平整度,但注意不要把螺栓螺母拧的过紧。
3、将法兰焊接在管道上,这一步要采用点焊的方式。
4、先把对夹式蝶阀取下移出。
5、再将两片法兰完全焊在管道上,完成固定。
6、等法兰与管道的焊接处冷却之后,再讲对夹式蝶阀安装进去。此时注意要将蝶板打开一些。
7、再一次对蝶阀的安装位置做一个校正,拧紧螺栓,但要注意不要拧的过紧。
8、将蝶阀蝶板完全打开,保证蝶阀的蝶板可以自由启闭,能自由开闭。
9、再一次将螺栓交叉,均衡的拧紧;
10、以上步骤完成,再一次对蝶阀的启闭做一个测试,确保阀门可以自由的开关。
法兰式蝶阀安装方法
法兰蝶阀自带法兰,安装时候无需再专门配备法兰片,直接将阀体上的法兰与管道法兰用螺栓连接起来即可。但法兰蝶阀安装时要注意几点:
1.在安装时,蝶阀阀体法兰与管道上法兰之间的端面要平行,不能出现歪斜的情况,否则可能会因为螺栓拧不紧造成法兰连接处泄漏。
2.法兰蝶阀在管道上安装时候要在管道两端法兰与阀体法兰之间加入垫片,但不能用双垫片。
3.紧螺栓时要对称进行,两端法兰连接各个螺栓拧紧力要均匀且一致。
4.在安装时,要先安装蝶阀上定位孔的螺栓,将蝶阀位置对中固定,另外,在紧固法兰螺栓时,要对称交替拧紧,不要依次单独紧固螺栓。
相比对夹蝶阀,法兰蝶阀的密封性能更好,更适合做大口径阀门。但是使用成本和价格也会更高。法兰蝶阀的结构更长,占用的管道安装空间更大。

法兰蝶阀安装方法:
1、法兰蝶阀安装前检查气动蝶阀各部分部件无缺失,型号无误,检查阀体内无杂物,电磁阀和消音器内无阻塞。
2、将阀门和汽缸均置于关闭状态。
3、将汽缸撞到阀门上,(安装方向与阀体平行或垂直都可以),再看螺丝孔是否对正,不会有太大偏差,如有少许偏差,将气缸体转动一点就可以了,然后将螺丝紧固。
4、安装完毕后,对气动蝶阀进行调试(正常情况下供气压力为0.4~0.6MPa),调试运行时须手动操作电磁阀启闭(将电磁阀线圈失电后手动操作方可有效),观察气动蝶阀的启闭情况。如果在调试运行过程中发现阀门在启闭过程初始时有些吃力,之后正常,则需要将气缸行程调小(把气缸两端行程调节螺丝同时往里调一点,调整时需将阀门运行到开位置,然后将气源关掉再调),直至阀门启闭动作顺滑且关闭无泄漏。还需要注意的是,可调型消音器可以调节阀门的启闭速度,但不可调得过小,否则可能引起阀门不动作。
5、得发在安装前应保持干燥,不可露天存放。
6、安装蝶阀前要检查管道,确保管道内无焊渣等异物。
7、蝶阀阀体手动启闭阻力适中,蝶阀扭矩与所选执行器扭矩匹配。
8、蝶阀连接用法兰规格正确,管道对夹法兰与蝶阀法兰标准相符。建议使用蝶阀专用法兰,不得使用平焊法兰。
9、确认法兰焊接无误,蝶阀安装完毕后不得再焊接法兰,以免烫伤橡胶件。
10、装好的管道法兰要进行对中,并与放入的蝶阀进行对中。
11、装上所有的法兰螺栓,并用手拧紧,将确认蝶阀与法兰已然对中,然后小心的启闭蝶阀,确保启闭灵活。
12、将阀门完全开启,用扳手按照对角线次序将螺栓拧紧,无需垫圈,切勿将螺栓拧的过紧,以防造成阀圈的严重变形,启闭扭矩过大。

订货须知:
一、产品名称与型号口径是否带附件以便我们的为您正确选型使用压力使用介质的温度。
二、若已经由设计单位选定公司的放料阀型号,请型号直接向我司销售部订购。
三、当使用的场合非常重要或环境比较复杂时,请您尽量提供设计图纸和详细参数,由我们的阀门公司专家为您审核把关。如有疑问:请:我们一定会尽心尽力为您提供优质的服务。
扫一扫,手机浏览


