-
详细信息
D642X气动双偏心法兰式软密封蝶阀简介
D642X气动法兰式软密封蝶阀由橡胶密封蝶阀和碳钢或不锈钢阀板、阀杆构成。适用于温度≤120℃如轻纺、造纸、食品、医药、化工、石油、电力、等给排水、气体管道上作调节流量和截流介质的作用。其主要特点为设计新颖、合理、结构独特,重量轻,启闭迅速。操力矩小,操作方便,省力灵巧。可以任何位置安装,维修方便。密封件可以更换,密封性能可靠达到双向密封零泄漏。密封材料耐老化、耐腐蚀,使用寿命长等特点。
蝶阀是用圆形蝶板作启闭件并随阀杆转动来开启、关闭和调节流体通道的一种阀门。蝶阀不仅结构简单、体积小、重量轻、材料耗用省,安装尺寸小,而且驱动力矩小,操作简便、迅速,并且还同时具有良好的流量调节功能和关闭密封特性,在大中口径、中低压力的使用领域,蝶阀是主导的阀门形式。 随着防腐合成橡胶和聚四氟乙烯的应用,蝶阀的性能得以提高,并满足于不同的工况条件。

适用场合:
由于蝶阀阀板的运动带有擦拭性,故大多数蝶阀可用于带悬浮固体颗粒的介质,依据密封件的强度也可用于粉状和颗粒状的介质。
蝶阀的结构长度和总体高度较小,开启和关闭速度快,在完全开启时,具有较小的流体阻力,当开启到大约15°至70°之间时,又能进行灵敏的流量控制,蝶阀的结构原理*适合于制作大口径阀门。
在下列工况条件下,推荐选用蝶阀:
①要求节流、调节控制流量;
②泥浆介质及含固体颗粒介质;
③要求阀门结构长度短的场合;
④要求启闭速度快的场合;
⑤压差较小的场合。
在双位调节、缩口的通道、低噪声、有气穴和气化现象,向大气少量渗漏,有磨蚀性介质时,可以选用蝶阀。
在特殊工况条件下节流调节或要求密封严格,或磨损严重、低温(深冷)等工况条件下使用蝶阀时,需使用特殊设计金属密封带调节装置的三偏心或双偏心的专用蝶阀。
软密封蝶阀适用于通风除尘管路的双向启闭及调节,冶金、轻工、电力、石油化工系统的煤气管道及水道等。除作为大型变压吸附气体分离控制阀外,还可广泛用于石油、化工、冶金、电力、食品、医药、给排水、气体输送等领域。

气动中线软密封蝶阀标准:
设计标准:GB/T2238-1989
法兰连接尺寸:GB/T9113.1-2000;GB/T9115.1-2000;JB78 结构长度:GB/T12221-1989
压力试验:GB/T13927-1992;JB/T9092-1999气动中线软密封蝶阀气动头作用
采用新型系列GT型气动执行器,有双作用式和单作用式(弹簧复位),齿轮传动,安全可靠;大口径阀门采用系列AW型气动执行器拔叉式传动,结构合理,输出扭矩大,有双作用式和单作用式。1齿轮式双活塞,输出力矩大,体积小。
2、气缸选用铝金材料,重量轻、外形美观。
3、可在顶部、底部安装手动操作机构。
4、齿条式连接可调节开启角度、额定流量。
5、执行器可选带电讯号反馈指示及各类附件以实现自动化操作。
6、IS05211标准连接为产品的安装更换提供了方便
7两端调的节螺钉可使标准产品在0°和90°有±4°的可调范围。确保与阀门的同步精度。
根据不同控制和要求可选择下列附件:
切断型附件:单电控电磁阀、双电控电磁阀、限位开关回讯器。
调节型附件:电气定位器、气动定位器、电气转换器。
气源处理附件:空气过滤减压阀、气源处理三联件。
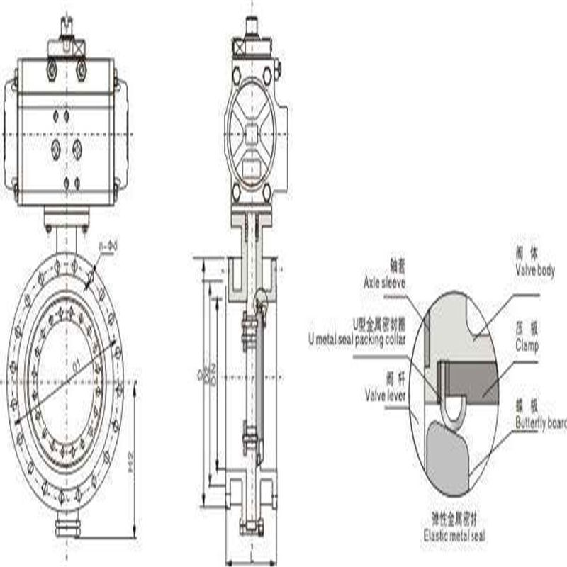
D642X气动双偏心法兰式软密封蝶阀气动头工作原理和结构
DDY型气动调节蝶阀由气动活塞式执行机构与蝶阀组合构成。(如图1)GT系列气动执行机构相同规格有双作用式、单作用式(弹簧复位);标准旋转轴角度可调节-5~+50范围;所有滑动部件采用塑料轴承衬套、导向,保持*小摩擦力,并有效地抵抗磨损;外壳表面阳极化电镀,防腐蚀保护;旋转轴镀硬质镍磷合金;螺丝、螺母为不锈钢;单作用式弹簧预装在弹簧座内,很容易装配或增补弹簧数量;连接、安装接口标准化模块设计,方便配装球阀、蝶阀、信号盒及控制附件;可选择旋转方向顺时针旋转或逆时针旋转;两端调节螺丝可调节小于标定角度调整。特殊的腐蚀环境可采用不锈钢外壳。蝶阀是在圆柱形的阀体通道内,安有一个圆盘状蝶形阀板,它绕着轴线作0~90°旋转。蝶板处在0°时,阀门全闭,旋转到90度时,则阀门全开。蝶阀结构简单、体积小、重量轻,操作灵活、安装方便、流通能力大等优点,旋转90°即可快速启闭。蝶阀具有较好的流量控制特性,蝶阀处于完全开启位置时,只有蝶形阀板厚度是介质流经阀体时的唯一阻力,所产生的压力降较小。蝶阀与管道连接有对夹式、法兰式和对焊连接等几种。对夹式蝶阀是用双头螺栓将阀门夹接在两管道法兰之间。法兰式蝶阀是阀门上带有法兰,用螺栓将阀门两端法兰与管道上的法兰连接起来。还有一种就是蝶阀体与管道直接焊接,用于高压管道。现在*先进的蝶阀都采用三偏心的密封结构,使阀门在开启、关闭过程中既可减少阀座与蝶板密封面之间的磨损,使阀门开启阻力小,并具有越关越紧的功能。蝶阀的密封结构是蝶阀的*关键部分,直接关系到蝶阀的整体性能,决定它的寿命与效果。蝶阀有弹密封和金属硬密封两种基本密封形式。弹性金属硬密封的密封力依靠弹性环产生微量变形与阀座吻合严密,而开启时变形消失,并迅速脱离密封面,能在较高温度和较高压力下使用,是目前*先进、新型的管路控制阀门。不同的密封形式适用于不同介质和介质的温度。
D642X气动双偏心法兰式软密封蝶阀应用标准
设计标准
国标系列
设计标准
GB/T12237
法兰连接尺寸
GB/T9113.1-2000;GB/T9115.1-2000;JB78
结构长度
GB/T12221-1989
压力试验
GB/T13927-1992;JB/T9092-1999
气动中线软密封蝶阀 性能规范
公称通径
DN(mm)
50~2000
公称压力
PN(MPa)
0.6
1.0
1.6
试验压力
强度试验
0.9
1.5
2.4
密封试验
0.66
1.1
1.76
气密封试验
0.6
0.6
0.6
适用介质
空气、水、污水、蒸气、煤气、油品等。
驱动形式
手动、蜗杆蜗轮传动、气传动、电传动。
气动中线软密封蝶阀零件材料
零件名称
材料
阀体
各种橡胶、聚四氟
蝶板
灰铸铁、球墨铸钢、铸钢、不锈钢及特殊材料
密封圈
球墨铸钢、铸钢、合金钢、不锈钢
阀杆
2Cr13、不锈钢
填料
O型圈、柔性石墨O
材料品种
氯丁橡胶
丁晴橡胶
乙丙橡胶
聚四氟乙烯
硅橡胶
氟橡胶
代号
X或or J
XA或or JA
XB或or JB
XC、JC或or F
XD或or JD
XE或or JE
耐*高温度
82℃
93℃
150℃
232℃
250℃
204℃
耐*低温度
-40℃
-40℃
-40℃
-268℃
-70℃
-23℃
适用工作温度
≤65℃
≤80℃
≤120℃
≤200℃
≤200℃
≤180℃
气动中线软密封蝶阀结构尺寸图
D642X气动双偏心法兰式软密封蝶阀连接尺寸:
通径 主要尺寸 0.25MPa~0.6MPa 1.0MPa 1.6MPa mm inch L H H1 D D1 Z-φd D D1 Z-φd D D1 Z-φd 80 3 114 115 235 185 150 418 195 160 4-18 195 160 8-18 100 4 127 120 240 205 170 4-18 215 180 8-18 215 180 8-18 125 5 140 130 270 235 200 8-18 245 210 8-18 245 210 8-18 150 6 140 150 300 260 225 8-18 280 240 8-23 280 240 8-23 200 8 152 180 300 315 280 8-18 335 295 8-23 335 295 12-23 250 10 250 220 400 370 335 12-18 390 350 12-23 405 355 12-25 300 12 270 250 410 435 95 12-23 440 400 12-23 460 410 12-25 350 14 290 270 460 485 445 12-23 500 460 16-23 520 470 16-25 400 16 310 290 510 35 495 16-23 565 515 16-25 585 525 16-30 450 18 330 320 560 5g0 550 20-23 615 565 20-25 640 585 20-30 500 20 350 360 590 640 600 20-23 670 620 20-25 705 650 20-34 600 24 390 390 660 755 705 20-25 780 725 20-30 840 770 20-41 700 28 430 460 780 860 810 24-25 895 840 24-30 910 840 24-41 800 32 470 530 850 975 920 24-30 1010 950 24-34 1020 950 24-41 900 36 510 570 920 1075 1020 24-30 1110 1050 28-34 1120 1050 28-41 1000 40 550 630 990 1175 1120 28-30 1220 1160 28-34 1255 1170 28-48 1200 48 630 750 1115 1400 1340 32-34 1450 1380 32-41 1485 1390 32-54 1375 1320 32-30 1400 56 710 850 1228 1620 1560 36-34 1675 1590 36-48 1575 1520 36-40 1600 64 790 990 1340 1820 1760 40-34 1915 1820 40-54 1785 1730 40-30 1800 72 870 110 1570 2045 1970 44-41 2115 2020 44-54 1985 1930 44-30 2000 80 950 1170 1680 2265 2180 48-48 2325 2230 46-54 2185 2130 48-30
气动中线软密封蝶阀保养与维修
(1)要经常检查管道有没有铁锈、焊渣、脏物、尘士。(2)电源绝对不能有故障。(3)定期检修。
(4)长期停放时,接口都要用塑料塞堵上。
(5)当调节阀在使用中不能满足操作要求,或者经过一段长时期的运行为了预防事故发生而作定期检查
时,先将阀从管线卸下,清洗、拆卸、更换元件,重新组装测试后重新安装。
气动中线软密封蝶阀运输与贮存
1、储运前检查各种标志是否完整、齐全、清晰、包装箱是否整齐牢固,无破损伤裂,*后检查钉箱包扎的可靠性和安全性。
2、运输时应轻装轻卸,严禁抛滑和撞击。
气动中线软密封蝶阀开箱与检查
产品运输到达用户后打开包装箱,小心搬运,打开即可安装使用。
2、包装箱内应有产品使用说明书、产品装箱单、产品合格证、产品质量跟踪卡。
气动中线软密封蝶阀订货须知
1、产品型号与名称;2、公称通径DN(mm);
3、公称压力;
4、流量特性;
5、阀体材质与密封要求;
6、额定流量系数;
7、介质种类和温度范围;8、阀前后压力(压差);
9、气源气压和控制信号;
10、其它特殊要求。
2、公称通径DN(mm);
3、公称压力;
4、流量特性;
5、阀体材质与密封要求;
6、额定流量系数;
7、介质种类和温度范围;8、阀前后压力(压差);
9、气源气压和控制信号;
10、其它特殊要求。
扫一扫,手机浏览




