-
详细信息
D671F46开关型气动全衬四氟对夹式蝶阀概述
气动全衬氟对夹式蝶阀执行机构为气动头,分开关型和调节型,连接方式为对夹,阀体衬聚四氟乙烯,在各种工矿都适用。气动全衬氟对夹式蝶阀是为了适应一些具有强酸、强碱的腐蚀性环境,石油、化工、食品等多个特殊领域的需要,在常规蝶阀的阀内和阀板上衬聚四氟,使介质和阀体隔离,达到防腐的效果。具有功能强、体积小、轻便宜人,性能可靠、配套简单、流通能力大,特别是适合于介质是粘稠、含颗粒、纤维性质的场合。 目前 ,衬四氟蝶阀,衬胶蝶阀作为一种用来实现管路系统通断及流量控制的元件,已在石油、化工、冶金、水电等许多领域中得到极为广泛地应用。

气动全衬氟对夹式蝶阀其主要特点为:
1、设计新颖、合理、结构独特,重量轻,启闭迅速。
2、操力矩小,操作方便,省力灵巧。
3、可以任何位置安装,维修方便。
4、密封件可以更换,密封性能可靠达到双向密封零泄漏。
5、密封材料耐老化、耐腐蚀,使用寿命长等特点。
气动全衬氟对夹式蝶阀采用标准
设计标准:GB/T2238-1989
法兰连接尺寸:GB/T9113.1-2000;GB/T9115.1-2000;JB78
结构长度:GB/T12221-1989
压力试验:GB/T13927-1992;JB/T9092-1999

D671F46开关型气动全衬四氟对夹式蝶阀执行机构
采用新型系列GT型气动执行器,有双作用式和单作用式(弹簧复位),齿轮传动,安全可靠;上海申弘阀门有限公司主营阀门有:减压阀(气体减压阀,可调式减压阀,波纹管减压阀,活塞式减压阀,蒸汽减压阀,先导式减压阀,空气减压阀,氮气减压阀,水用减压阀,自力式减压阀,比例减压阀)、安全阀、保温阀、低温阀、球阀、截止阀、闸阀、止回阀、蝶阀、过滤器、放料阀、隔膜阀、旋塞阀、柱塞阀、平衡阀、调节阀、疏水阀、管夹阀、排污阀、排气阀、排泥阀、气动阀门、电动阀门、高压阀门、中压阀门、低压阀门、水力控制阀、真空阀门、衬胶阀门、衬氟阀门。大口径阀门采用系列AW型气动执行器拔叉式传动,结构合理,输出扭矩大,有双作用式和单作用式。
1、齿轮式双活塞,输出力矩大,体积小。
2、气缸选用铝金材料,重量轻、外形美观。
3、可在顶部、底部安装手动操作机构。
4、齿条式连接可调节开启角度、额定流量。
5、执行器可选带电讯号反馈指示及各类附件以实现自动化操作。
6、IS05211标准连接为产品的安装更换提供了方便。
7、两端调的节螺钉可使标准产品在0°和90°有±4°的可调范围。确保与阀门的同步精度。

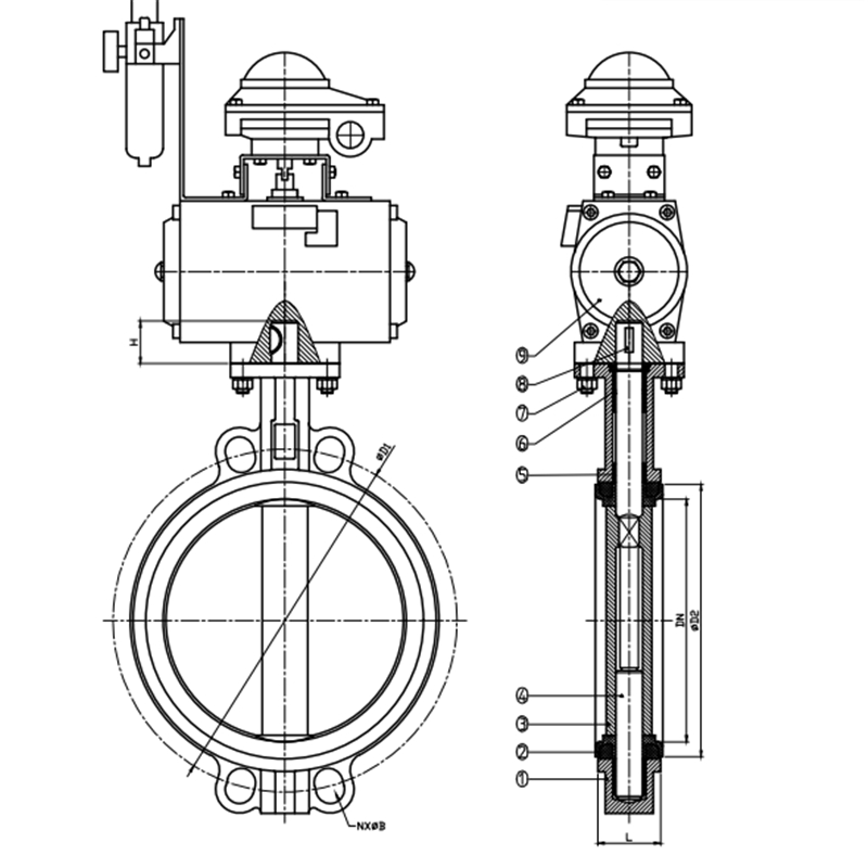
气动全衬氟对夹式蝶阀主要零部件材料
序号
零件名
灰铸铁
铸钢
不锈刚
超低碳不锈钢
Z
C
P
R
PL
RL
1
上、下阀体、阀盖
A126C.135A
A126 WCB
A351 CF8
A351 CF8M
A351 CF3
A351 CF3M
2
蝶板
A126 WCB
A105
A351 CF8
A351 CF8M
A351 CF3
A351 CF3M
3
蝶板轴
A182 F6
A182 F6
A182 F304
A182 F316
A182 F304L
A182 F316L
4
衬里层/阀座
PTFE(F4) PTFE(F4) PCTFE(F3) FEP(F46) PFA(可溶性聚四氟乙烯)
5
O型圈
VITon (氟橡胶)
VITon (氟橡胶)
6
气缸
铝合金
铸钢
气动全衬氟对夹式蝶阀主要外形尺寸与连接尺寸
公称通径
标准值
参考值
DN (mm)
NPS (inch)
L
D
D1
D2
f
b
Z-φd
D0
H
W(kg)
ANSI 125Lb 150Lb
50
2
43
152
120.5
92
2
16
4-φ19
200
150
5
65
21/2
46
178
139.5
105
2
18
4-φ19
250
160
7
80
3
46
190
152.5
127
2
19
4-φ19
250
170
10
100
4
52
229
190.5
157
2
24
8-φ19
300
185
14
125
5
56
254
216
186
2
24
8-22
300
210
22
150
6
56
279
241.5
216
2
26
8-φ22
200
230
32
200
8
64
343
298.5
270
2
29
8-φ22
240
285
66
250
10
71
406
362
324
2
31
12-φ25
240
325
80
300
12
81
483
432
381
2
32
12-φ25
280
360
94
350
14
92
533
476
413
2
35
12-φ29
280
430
125
400
16
102
597
540
470
2
37
16-φ29
320
475
150
450
18
114
635
578
533
2
40
16-φ32
320
525
172
500
20
127
699
635
584
2
43
20-φ23
360
565
225
600
24
154
813
749.5
692
2
48
20-φ25
360
630
290
750
30
165
887
846
813
2
45
44-φ23
400
675
330
900
36
200
1057
1009.7
972
2
53
44-φ26
400
805
405
1050
42
251
1226
1171.4
1130
2
59
48-φ29
500
995
480
1200
48
276
1392
1335
1289
2
65
44-φ32
500
1170
695
气动全衬氟对夹式蝶阀附件的选项
根据不同控制和要求可选择下列附件:
切断型附件:单电控电磁阀、双电控电磁阀、限位开关回讯器。
调节型附件:电气定位器、气动定位器、电气转换器。
气源处理附件:空气过滤减压阀、气源处理三联件。
手动机构:HVSD手操机构

主要参数:
阀门型号:D671F46,D641F46等
主体材质: 铸铁,铸钢/碳钢WCB,不锈钢CF8等。
尺寸范围: DN50-DN600(2"-24")。
压力范围:0.6-2.5Mpa(150-300lb)。
适用温度:-29℃≤t≤180℃。
设计标准:国标GB,美标ANSI等
气动衬氟蝶阀订货说明:
1、气动执行器作用方式及气缸类型:作用方式(双作用、单作用)、气缸类型(GT/AT/AW)
2、阀体选择参数:管道介质、温度、压力、口径、连接方式及阀体材质等
3、所需气动附件(可选):电磁阀、定位器、限位开关、气源处理元件、手动机构等

蝶阀安装方法:
1、法兰蝶阀安装前检查气动蝶阀各部分部件无缺失,型号无误,检查阀体内无杂物,电磁阀和消音器内无阻塞。
2、将阀门和汽缸均置于关闭状态。
3、将汽缸撞到阀门上,(安装方向与阀体平行或垂直都可以),再看螺丝孔是否对正,不会有太大偏差,如有少许偏差,将气缸体转动一点就可以了,然后将螺丝紧固。
4、安装完毕后,对气动蝶阀进行调试(正常情况下供气压力为0.4~0.6MPa),调试运行时须手动操作电磁阀启闭(将电磁阀线圈失电后手动操作方可有效),观察气动蝶阀的启闭情况。如果在调试运行过程中发现阀门在启闭过程初始时有些吃力,之后正常,则需要将气缸行程调小(把气缸两端行程调节螺丝同时往里调一点,调整时需将阀门运行到开位置,然后将气源关掉再调),直至阀门启闭动作顺滑且关闭无泄漏。还需要注意的是,可调型消音器可以调节阀门的启闭速度,但不可调得过小,否则可能引起阀门不动作。
5、得发在安装前应保持干燥,不可露天存放。
6、安装蝶阀前要检查管道,确保管道内无焊渣等异物。
7、蝶阀阀体手动启闭阻力适中,蝶阀扭矩与所选执行器扭矩匹配。
8、蝶阀连接用法兰规格正确,管道对夹法兰与蝶阀法兰标准相符。建议使用蝶阀专用法兰,不得使用平焊法兰。
9、确认法兰焊接无误,蝶阀安装完毕后不得再焊接法兰,以免烫伤橡胶件。
10、装好的管道法兰要进行对中,并与放入的蝶阀进行对中。
11、装上所有的法兰螺栓,并用手拧紧,将确认蝶阀与法兰已然对中,然后小心的启闭蝶阀,确保启闭灵活。
12、将阀门完全开启,用扳手按照对角线次序将螺栓拧紧,无需垫圈,切勿将螺栓拧的过紧,以防造成阀圈的严重变形,启闭扭矩过大。

订货须知:
一、产品名称与型号口径是否带附件以便我们的为您正确选型使用压力使用介质的温度。
二、若已经由设计单位选定公司的放料阀型号,请型号直接向我司销售部订购。
三、当使用的场合非常重要或环境比较复杂时,请您尽量提供设计图纸和详细参数,由我们的阀门公司专家为您审核把关。如有疑问:请:我们一定会尽心尽力为您提供优质的服务。
扫一扫,手机浏览

