-
详细信息
D371F46蜗轮传动全衬氟塑料对夹式蝶阀 概述
衬氟蝶阀是用阀杆一起转动的蝶板作启闭件,用以实现阀门的开启,关闭与调节。衬氟蝶阀是在过流部件、阀体、蝶板、阀杆上采用衬里技术衬里较厚的高分子材料,防腐蚀性能优良,可适用于任何浓度的酸、碱、盐及氧化剂、还原剂、有机溶剂等介质,衬氟蝶阀是化工、石油、医药、食品、钢铁冶炼、造纸、水电等系统的气体、液体、半流体的管路和容器上作截流和调节设备使用的理想产品,并可取代闸阀、截止阀和其它类型的切断、调节阀门。衬氟阀门价格大大低于耐腐蚀不锈钢阀门和哈氏合金阀门,有的强腐蚀介质金属阀都不能用,只有衬氟阀门能用好。但衬氟阀门必须合适应用,希注意应用压力和应用温度等几项使用技术条件,上海申弘阀门有限公司主营阀门有:以我公司的产品为例说明如下:

D371F46蜗轮传动全衬氟塑料对夹式蝶阀 适用工况
(1)衬氟阀门衬氟阀门使用的介质温度:我公司的各类衬氟阀门,采用的氟塑料是F46 (FEP),使用的介质温度不能超过150℃ (介质温度短时间可到150℃,长时间的使用温度应在120℃左右),否则,阀门的各部件衬的F46易软化、变形,致使阀门关不死、泄漏量大。
如遇到用户使用的介质温度,短时间温度在180℃以下,长时间温度在150℃以下,可选用另一种氟塑料一PFA,但衬PFA氟塑料的价格较贵,在配套时应事先询价。
(2)不要有负压。衬氟阀门应避免使用的管道内有负压,如有负压,易造成阀门内腔的衬氟塑层被吸出(鼓出)、脱壳,导致阀门开启、关闭发生故障。
(3)压力、压差应控制在允许范围内。尤其是波纹管密封的衬氟塑调节阀、截止阀。因波纹管是四氟材料制作的,压力高、压差高,容易导致波纹管破裂。波纹管密封的衬氟塑调节阀,使用条件压力、压差高的,可改为四氟填料密封。
(4)衬氟阀门使用的介质条件不宜有硬质颗粒、结晶、杂质等,以免阀门在开启、关闭的运行中磨破阀芯、阀座的衬氟塑层或四氟波纹管。对介质有硬质颗粒、结晶、杂质的,选用时,阀芯、阀座可改用哈氏合金,但需另行询价。
(5)衬氟塑调节阀应按需要的流量(CV值)正确选用阀门的通径大小。在选用时,应根据需要的
流量(CV值)等技术参数计算阀门的开启度和选用阀门的通径。如阀门的通径选得太大了,势必使阀门长期在开启度较小的情况下运行,加上介质的压力,这样容易使阀门受到介质的冲击而产生振动,阀芯杆长期在介质的冲击、振动下,甚至会使阀杆断裂。用户在配套(选用)各类衬氟塑阀门时,尽可能的了解、掌握使用技术条件,以便选好、用好,提高阀门的使用寿命。在遇到超出用户使用技术条件范围时,应向制造厂提出,共同商讨。

全衬对夹式蝶阀D371F46产品特点
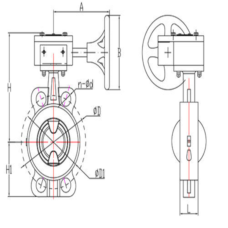
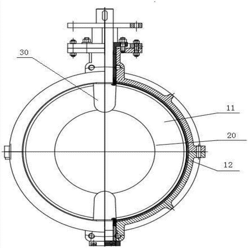
1、本蝶阀结构为中线密封对夹式衬氟蝶阀,阀杆与蝶板融为一体,蝶板旋转90°,即可实现阀门的启闭过程;
2、蝶板覆盖衬里材料的叫全衬氟蝶阀;蝶板使用不锈钢的称为半衬蝶阀,可根据工艺要求自由选择;
3、蝶阀体积小、重量轻、结构紧凑,与同参数闸阀相比,重量减轻约35~60%;
4、蝶阀可承受相应衬里材料的介质腐蚀,采用四极密封结构,并在密封面处配以特殊橡胶的弹性衬垫,密封性能好;
5、轴端、蝶板圆周连接处采用特殊凹槽与特殊O型圈组合密封,防止介质外泄,达到了零泄漏;
6、可配置气动、电动、液动等多种驱动装置,实现远距离控制和自动化操作。
D371F46蜗轮传动全衬氟塑料对夹式蝶阀 执行标准
设计规范:GB/T 12238 API609
结构长度:GB/T 12221 API609 ASME B16.10
法兰连接:GB/T 9113 API609 ISO5752 ASME B16.5
试验与检验:GB/T 13927 API598内衬材料 内衬材料代码 适用温度 适用介质 可溶型四氟烯 PFA -40-180 强酸、强碱、王水、强氧化剂、各种有机溶剂等 聚全氟乙丙烯 F46 -40-150 强酸、强碱、醇、酮、芳烃,氧化烃、有机溶剂等 四氟乙烯 F40 -40-150 强酸、强碱、醇、酮、芳烃,氧化烃、有机溶剂等 聚偏氟乙烯 F2 -10-120 卤素、氢氟酸、碱、硫化氢、甲醇、甲苯等 聚烯烃 PO -40-180 盐酸、氢氟酸、碱、盐溶液、能耐80℃以下有机溶剂 聚四氟乙烯 F4 -40-180 强酸、强碱、王水、强氧化剂、各种有机溶剂等 全衬对夹式蝶阀D371F46主要外形尺寸】
通径 长度 1.0MPa连接尺寸 1.6MPa连接尺寸 高度 重量 DN L D D1 D2 f Z-φd D D1 f Z-φd H2 kg 40 33 145 110 85 3 4-φ18 145 110 3 4-φ18 270 4 50 43 160 125 100 3 4-φ18 160 125 3 4-φ18 280 5 65 46 180 145 120 3 4-φ18 180 145 3 4-φ18 290 7 80 46 195 160 140 3 4-φ18 195 160 3 8-φ18 310 9 100 52 215 180 155 3 8-φ18 215 180 3 8-φ18 340 13 125 56 245 210 185 3 8-φ18 245 210 3 8-φ18 355 15 150 56 280 240 210 3.5 8-φ23 280 240 3.5 8-φ23 380 24 200 60 335 295 265 3.5 8-φ23 335 295 3.5 12-φ23 430 38 250 68 390 350 320 4 12-φ23 405 355 4 12-φ26 450 60 300 78 440 400 370 4 12-φ23 460 410 4 12-φ26 480 70 350 78 500 460 420 4 16-φ23 520 470 4 16-φ26 600 80 400 102 565 515 475 4.5 16-φ25 580 525 4.5 16-φ30 630 120 450 114 615 565 525 4.5 20-φ25 640 585 4.5 20-φ30 655 165 500 127 670 620 580 5 20-φ25 715 650 5 20-φ33 680 205 600 154 780 725 690 5 20-φ30 840 770 5 20-φ36 730 250 700 165 895 840 800 5 24-φ30 910 840 5 24-φ36 790 320 800 190 1010 950 905 5 24-φ34 1020 950 5 24-φ39 880 395 900 203 1110 1050 1005 5 28-φ34 1120 1050 5 28-φ39 930 450 1000 216 1220 1160 1115 6 28-φ34 1255 1170 6 28-φ42 1000 600 1、法兰蝶阀安装前检查气动蝶阀各部分部件无缺失,型号无误,检查阀体内无杂物,电磁阀和消音器内无阻塞。
2、将阀门和汽缸均置于关闭状态。
3、将汽缸撞到阀门上,(安装方向与阀体平行或垂直都可以),再看螺丝孔是否对正,不会有太大偏差,如有少许偏差,将气缸体转动一点就可以了,然后将螺丝紧固。
4、安装完毕后,对气动蝶阀进行调试(正常情况下供气压力为0.4~0.6MPa),调试运行时须手动操作电磁阀启闭(将电磁阀线圈失电后手动操作方可有效),观察气动蝶阀的启闭情况。如果在调试运行过程中发现阀门在启闭过程初始时有些吃力,之后正常,则需要将气缸行程调小(把气缸两端行程调节螺丝同时往里调一点,调整时需将阀门运行到开位置,然后将气源关掉再调),直至阀门启闭动作顺滑且关闭无泄漏。还需要注意的是,可调型消音器可以调节阀门的启闭速度,但不可调得过小,否则可能引起阀门不动作。
5、得发在安装前应保持干燥,不可露天存放。
6、安装蝶阀前要检查管道,确保管道内无焊渣等异物。
7、蝶阀阀体手动启闭阻力适中,蝶阀扭矩与所选执行器扭矩匹配。
8、蝶阀连接用法兰规格正确,管道对夹法兰与蝶阀法兰标准相符。建议使用蝶阀专用法兰,不得使用平焊法兰。
9、确认法兰焊接无误,蝶阀安装完毕后不得再焊接法兰,以免烫伤橡胶件。
10、装好的管道法兰要进行对中,并与放入的蝶阀进行对中。
11、装上所有的法兰螺栓,并用手拧紧,将确认蝶阀与法兰已然对中,然后小心的启闭蝶阀,确保启闭灵活。
12、将阀门完全开启,用扳手按照对角线次序将螺栓拧紧,无需垫圈,切勿将螺栓拧的过紧,以防造成阀圈的严重变形,启闭扭矩过大。

订货须知:
一、产品名称与型号口径是否带附件以便我们的为您正确选型使用压力使用介质的温度。
二、若已经由设计单位选定公司的放料阀型号,请型号直接向我司销售部订购。
三、当使用的场合非常重要或环境比较复杂时,请您尽量提供设计图纸和详细参数,由我们的阀门公司专家为您审核把关。如有疑问:请:我们一定会尽心尽力为您提供优质的服务。
扫一扫,手机浏览



