-
详细信息
D671F4单作用气动半衬聚四氟乙烯对夹蝶阀产品概述:
对夹式软密封衬氟蝶阀外形美观,其阀体、阀板、阀轴为同心结构设计。与气动执行器相配,阀扳与阀轴采用无销连接,介质与阀轴阀体完全隔离,维护简便易行,100%双向气泡级密封,外表采用环氧树脂喷塑处理,达到欧洲环保标准。广泛应用于食品,环保,轻工,石油,造纸,化工,电力等行业的工业自动化系统中。

气动半衬聚四氟乙烯对夹蝶阀用途特点:
设计特征
阀体和端盖采用脱蜡精密铸造
阀杆防爆出设计
标准的气源接口可以直接与电磁阀连接
气缸内壁阳极硬化无须二次润滑
开关位置+/-5°行程调节,操作简易
正常使用压缩空气0.4-0.6MPa
360℃任意角度安装1、阀体为分体式,通轴、无销连接。
2、阀座均包衬PTFE,宽翻边的PTFE阀座与法兰易密封。
3、阀座与不锈钢阀板平滑过度开启,无干涉现象,扭矩小。

D671F4单作用气动半衬聚四氟乙烯对夹蝶阀性能规范:
公称压力:1.0MPa-2.5MPa
公称通经:DN32~DN600
适用介质:水,气体,油品,天然气,流体类食品,化学制剂、腐蚀性介质、弱酸,弱碱、海水、等
适用温度:-20~+120 ℃、
气动半衬聚四氟乙烯对夹蝶阀适用工况
本品适用于化工管道中腐蚀性液体,可以工作在一般的防腐介质中。
气动半衬聚四氟乙烯对夹蝶阀技术参数
1、公称压力: 1.0MPa----1.6 MPa
2、公称通经: DN40—DN600
3、适用温度: -20°C +180°C
4、连接形式: 对夹
5、驱动方式: 气动、电动、手动气动半衬聚四氟乙烯对夹蝶阀气动执行器
气动半衬聚四氟乙烯对夹蝶阀110以上型号选择:使用双作用执行器,先确定阀门的扭矩,在正常使用条件下,推荐安全系数为15~20%。再根据阀门使用的流体介质增加安全值。对清洁、润滑介质增加20%安全值;水蒸气或非润滑液体介质增加25%安全值;对非润滑的浆料液体介质增加40%安全值;非润滑的干气介质增加60%安全值;非润滑的颗粒介质增加80%安全值。非润滑用气体输送的颗粒粉料介质增加100%安全值; 根据上计算的扭矩值及使用气源压力查找双作用执行器的扭矩表,就可得到准确GTD型号。
GTE110单作用(弹簧复位)气动执行器型号选择:
使用单作用执行器,根据上述计算的扭矩值及使用气源压力,查找单作用扭矩表,先查得弹簧复位终点,再查气源工作压力终点,气源压力扭矩应该大于弹簧复位扭矩,可得到准确的GTE型号。 说明:GTE单气控型输出扭矩表中,弹簧复位“终点”扭矩即为关闭阀门的扭矩,弹簧复位“开始”扭矩即为打开阀门时的扭矩。相对应的气源压力开始的扭矩即关闭阀门状态的扭矩,气源压力终点扭矩即为打开阀门的扭矩。

GTD110气动执行器结构特点
1)、挤压成型的铝合金缸体,经硬质氧化处理,表面质地坚硬,耐磨性强。缸体、端盖、输出轴、弹簧、紧固件等均经防腐处理。
2)、紧湊的双活塞齿轮、齿条式结构,啮合精确,传动平稳,安装位置对称,输出扭矩恒定。
3)、活塞、齿条和输出轴的活动部位均安装F4导向环,实现低摩擦,长寿命,避免金属间的接触

D671F4单作用气动半衬聚四氟乙烯对夹蝶阀主要零部件材料
序号
零件名
灰铸铁
铸钢
不锈刚
超低碳不锈钢
Z
C
P
R
PL
RL
1
上、下阀体、阀盖
A126C.135A
A126 WCB
A351 CF8
A351 CF8M
A351 CF3
A351 CF3M
2
蝶板
A126 WCB
A105
A351 CF8
A351 CF8M
A351 CF3
A351 CF3M
3
蝶板轴
A182 F6
A182 F6
A182 F304
A182 F316
A182 F304L
A182 F316L
4
衬里层/阀座
PTFE(F4) PTFE(F4) PCTFE(F3) FEP(F46) PFA(可溶性聚四氟乙烯)
5
O型圈
VITon (氟橡胶)
VITon (氟橡胶)
6
气缸
铝合金
铸钢
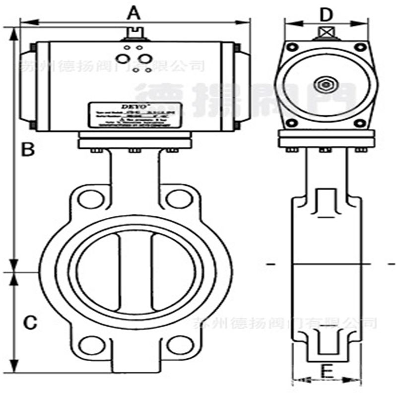
气动半衬聚四氟乙烯对夹蝶阀主要外形尺寸与连接尺寸
公称通径
标准值
参考值
DN (mm)
NPS (inch)
L
D
D1
D2
f
b
Z-φd
D0
H
W(kg)
ANSI 125Lb 150Lb
50
2
43
152
120.5
92
2
16
4-φ19
200
150
5
65
21/2
46
178
139.5
105
2
18
4-φ19
250
160
7
80
3
46
190
152.5
127
2
19
4-φ19
250
170
10
100
4
52
229
190.5
157
2
24
8-φ19
300
185
14
125
5
56
254
216
186
2
24
8-22
300
210
22
150
6
56
279
241.5
216
2
26
8-φ22
200
230
32
200
8
64
343
298.5
270
2
29
8-φ22
240
285
66
250
10
71
406
362
324
2
31
12-φ25
240
325
80
300
12
81
483
432
381
2
32
12-φ25
280
360
94
350
14
92
533
476
413
2
35
12-φ29
280
430
125
400
16
102
597
540
470
2
37
16-φ29
320
475
150
450
18
114
635
578
533
2
40
16-φ32
320
525
172
500
20
127
699
635
584
2
43
20-φ23
360
565
225
600
24
154
813
749.5
692
2
48
20-φ25
360
630
290
750
30
165
887
846
813
2
45
44-φ23
400
675
330
900
36
200
1057
1009.7
972
2
53
44-φ26
400
805
405
1050
42
251
1226
1171.4
1130
2
59
48-φ29
500
995
480
1200
48
276
1392
1335
1289
2
65
44-φ32
500
1170
695
1、法兰蝶阀安装前检查气动蝶阀各部分部件无缺失,型号无误,检查阀体内无杂物,电磁阀和消音器内无阻塞。
2、将阀门和汽缸均置于关闭状态。
3、将汽缸撞到阀门上,(安装方向与阀体平行或垂直都可以),再看螺丝孔是否对正,不会有太大偏差,如有少许偏差,将气缸体转动一点就可以了,然后将螺丝紧固。
4、安装完毕后,对气动蝶阀进行调试(正常情况下供气压力为0.4~0.6MPa),调试运行时须手动操作电磁阀启闭(将电磁阀线圈失电后手动操作方可有效),观察气动蝶阀的启闭情况。如果在调试运行过程中发现阀门在启闭过程初始时有些吃力,之后正常,则需要将气缸行程调小(把气缸两端行程调节螺丝同时往里调一点,调整时需将阀门运行到开位置,然后将气源关掉再调),直至阀门启闭动作顺滑且关闭无泄漏。还需要注意的是,可调型消音器可以调节阀门的启闭速度,但不可调得过小,否则可能引起阀门不动作。
5、得发在安装前应保持干燥,不可露天存放。
6、安装蝶阀前要检查管道,确保管道内无焊渣等异物。
7、蝶阀阀体手动启闭阻力适中,蝶阀扭矩与所选执行器扭矩匹配。
8、蝶阀连接用法兰规格正确,管道对夹法兰与蝶阀法兰标准相符。建议使用蝶阀专用法兰,不得使用平焊法兰。
9、确认法兰焊接无误,蝶阀安装完毕后不得再焊接法兰,以免烫伤橡胶件。
10、装好的管道法兰要进行对中,并与放入的蝶阀进行对中。
11、装上所有的法兰螺栓,并用手拧紧,将确认蝶阀与法兰已然对中,然后小心的启闭蝶阀,确保启闭灵活。
12、将阀门完全开启,用扳手按照对角线次序将螺栓拧紧,无需垫圈,切勿将螺栓拧的过紧,以防造成阀圈的严重变形,启闭扭矩过大。

订货须知:
一、产品名称与型号口径是否带附件以便我们的为您正确选型使用压力使用介质的温度。
二、若已经由设计单位选定公司的放料阀型号,请型号直接向我司销售部订购。
三、当使用的场合非常重要或环境比较复杂时,请您尽量提供设计图纸和详细参数,由我们的阀门公司专家为您审核把关。如有疑问:请:我们一定会尽心尽力为您提供优质的服务。
扫一扫,手机浏览

