-
详细信息
LJ47Y高压平衡角式截止阀产品介绍:
角式截止阀的启闭件是塞形的阀瓣,密封面呈平面或锥面,阀瓣沿流体的中心线作直线运动。角式截止阀又称角阀,阀杆的运动形式,有升降杆式(阀杆升降,手轮不升降),也有升降旋转杆式(手轮与阀杆一起旋转升降,螺母设在阀体上)。上海申弘阀门有限公司主营阀门有:截止阀,电动截止阀,气动截止阀,电动蝶阀,气动蝶阀,电动球阀,气动球阀,电动闸阀,气动闸阀,电动调节阀,气动调节阀,减压阀。水力控制阀、真空阀门、衬胶阀门、衬氟阀门角式截止阀只适用于全开和全关,不允许作调节和节流。截止阀属于强制密封式阀门,所以在阀门关闭时,必须向阀瓣施加压力,以强制截止阀的密封面不泄漏。当介质由阀瓣下方进入阀门时,操作力所需克服的阻力,是阀杆和填料的摩擦力与由介质的压力所产生的推力,关“角式截止阀” 的力比开“角式截止阀”的力大,所以阀杆的直径要大,否则会发生阀杆顶弯的故障。

角式截止阀应用范围:
角型截止阀是一种常用的截断阀,主要用来接通或截断管路中的介质,一般不用于调节流量。截止阀产品适用的压力、温度范围很大,但一般用于中、小口径的管道,适用于≤425℃的蒸汽、油品、水等介质。角式截止阀启闭件是塞形的阀瓣,密封面呈平面或锥面,阀瓣沿流体的中心线作直线运动。阀杆的运动形式,有升降杆式(阀杆升降,手轮不升降),也有升降旋转杆式(手轮与阀杆一起旋转升降,螺母设在阀体上)。纹管截止阀只适用于全开和全关,不允许作调节和节流。进出口通道不在同一方向上而成90°直角,流体通过阀门时会改变流体方向,因此会产生一定的压力降。角式截止阀的*大优点是可以把阀门安装在管路系统的拐角处,这样既节约了90°弯头,又便于操作。因此,这类阀门*适合在化肥厂的合成氨生产系统中和天然气、化工、石化、石油、造纸、采矿、电力、液化气、食品、给排水、市政、机械设备配套、电子工业,城建等领域。是靠旋转阀恋来使阀门畅通或闭塞。闸阀开关轻便,体积小,可以做成很大口径,密封可靠,结构简单,维修方便,密封面与球面常在闭合状态,不易被介质冲蚀,在各行业得到广泛的应用。

截止阀的密封副由阀瓣密封面和阀座密封面组成,阀杆带动阀瓣沿阀座的中心线作垂直运动。截止阀启闭过程中 启高度较小,易于流量的调节,且制造维修方便,压力适用范围广。截止阀密封面不易磨损及擦伤,阀门启闭过程中阀瓣与阀座密封面之间无相对滑动,因此对密封面的磨损与擦伤较小,所以提高了密封副的使用寿命截止阀在全闭过程中阀瓣行程小,其高度相对较小。截止阀的缺点是,启闭力矩较大且难以实现快速启闭,因阀体内流道比较曲折,流体流动阻力大,造成流体动力在管路中损失较大。
LJ47Y高压平衡角式截止阀的结构特点
1、启闭无摩擦。这一功能完全解决了传统阀门因密封面之间相互摩擦而影响密封的问题。
2、上装式结构。对装在管道上的阀门可直接在线检查与维修,能有效减少装置停车,降低成本。
3、单阀座设计。消除了阀门中腔介质因异常升压而影响使用安全的问题。
4、低扭矩设计。特殊结构设计的阀杆,只需配一个小手把阀门就能轻松启闭。
5、楔形密封结构。阀门是靠阀杆提供的机械力,将球楔压到阀座上而密封,使阀门的密封性不受管线压差变化的影响,在各种工况下密封性能都有可靠保证。
6、密封面的自清洁结构。当球体倾离阀座时,管线中的流体沿球体密封面成360°均匀通过,不仅消除了高速流体对阀座局部的冲刷,也冲走了密封面上的聚积物,达到自清洁的目的。
7、阀门口径DN50以下的阀体、阀盖是模锻件、DN65以上的阀体、阀盖是铸钢件。
8、阀体与阀盖的连接形式各有不同、夹箍销轴式连接、法兰垫片连接和自密封螺纹连接。
9、阀座、阀瓣密封面均采用等离子喷焊或堆焊钴铬钨硬质合金,密封面硬度高、耐磨、抗擦伤、使用寿命长。
10、阀杆材料为渗氮钢、渗氮后的阀杆表面硬度高、耐磨、抗擦伤、同时防腐蚀、使用寿命长。

J44H角式截止阀标准规范:
设计制造标准:GB/T 12233、GB/T 12235
结构长度标准:GB/T 12221-2005
连接法兰标准:GB/T 9113
压力温度等级:GB/T 12224-2005
试验检验标准:GB/T 13927-2008性能参数
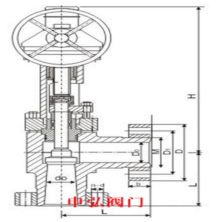
技术参数 压力等级(MPa) 16.0 20.0 25.0 32.0 35.0 40.0 公称压力(MPa) 16.0 20.0 25.0 32.0 35.0 40.0 试验压力(MPa) 强度 24.0 30.0 37.5 48 52.5 60 密封 17.6 22 27.5 35.2 38.5 44 适用介质 水、油品、天然气等 工作温度 -29~120℃ L/J47Y平衡角式截止阀外形结构图
L/J47Y平衡角式截止阀外形尺寸
公称压力(MPa) 公称通径(mm) 尺寸(mm) DO P D1 D L b Z-d H W 16.0
20.025 22 50.80 101.5 150 210 35 4-26 243 220 32 28 60.32 111 160 260 35 4-26 299 300 40 35 68.28 124 180 305 38 4-30 332 300 50 47 95.25 165 215 300 42 8-26 367 320 65 57 107.95 190.5 245 330 48 8-30 383 320 25.0
35.025 22 50.80 101.5 150 210 35 4-26 243 220 32 28 60.32 111 160 260 35 4-26 299 300 40 35 69.28 124 180 305 38 4-30 332 300 50 47 95.25 165 215 300 44 8-26 367 320 65 57 107.95 190.5 245 330 50 8-30 383 320 L/J67Y平衡角式截止阀外形结构图
L/J67Y平衡角式截止阀连接尺寸
公称压PN(MPa) 公称通径DN(mm) 外形尺寸(mm) L H Dn D D0 16
2025 108 310 23 42 200 32 1 14 325 29 54 240 40 121 340 36 60 280 50 140 380 45 73 300 65 165 3 95 58 89 360 80 184 475 72 108 400 100 229 495 90 133 450 125 266 545 113 159 500 150 305 57 5 135 192 550 25
35
4525 108 310 23 42 200 32 114 325 29 54 240 40 121 340 36 60 280 50 140 380 45 73 300 65 165 395 58 89 360 80 184 475 72 108 400 100 229 495 90 133 450 125 266 545 113 159 500 150 305 575 135 192 550 J44H角式截止阀的安装与维护应注意以下事项:
1.角式截止阀手轮、手柄操作的截止阀可安装在管道的任何位置上。
2.角式截止阀的手轮、手柄及传动机构,不允许作起吊用。
3.角式截止阀介质的流向应与阀体所示箭头方向一致。

订货须知:
一、①角式截止阀产品名称与型号②口径③是否带附件以便我们的为您正确选型④使用压力⑤使用介质的温度。
二、若已经由设计单位选定公司的型号,请型号直接向我司销售部订购。
三、当使用的场合非常重要或环境比较复杂时,请您尽量提供设计图纸和详细参数,由我们的阀门公司专家为您审核把关。如有疑问:请来电咨询:我们一定会尽心尽力为您提供优质的服务。
扫一扫,手机浏览



